Описание
    
  
      
      
      
        
  
    
    
        Отзывы
        
    
    
  
      
      
        
      
    
    
    Описание
    
  
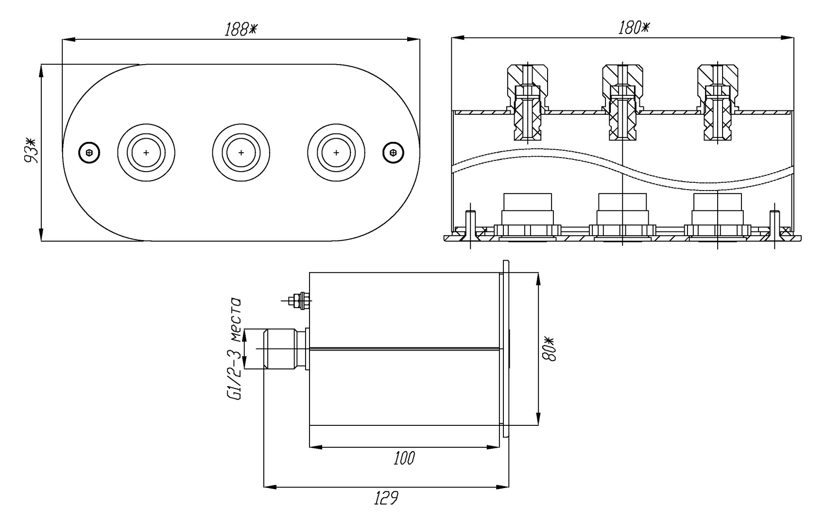
        Изготовленные из нержавеющей стали закладные адаптеры модели АД.02.3 предназначены для надежной и эстетичной установки в стенку или борт бассейна 3 сенсорных пьезокнопок, управляющих работой различных видов электрифицированного оборудования. Герметично смонтированные при помощи адаптера сенсорные кнопки позволяют безопасно включать или выключать противотоки, гидромассажные форсунки, цепи подсветки, аэромассажные плато, водопады и другие водные аттракционы.
Адаптер АД.02.3 подходит для монтажа в бассейны с отделкой плиткой или мозаикой.
Для монтажа в бассейны с отделкой пленкой можно использовать универсальную модель АД.02.3-01 с прямоугольной лицевой панелью.
Основные технические данные
- Материал: нержавеющая сталь AISI 304
- Вывод кабеля пьезокнопки: наружная резьба 1/2" - 3 места
- Комплектация: корпус, зеркально полированная лицевая панель, винты крепления, герметизирующая прокладка
- Габаритные размеры закладной части: 180х80х100 мм
- Отделка бассейна: плитка или мозаика
Внимание! Сенсорные пьезокнопки в комплект не входят и приобретаются отдельно.
    
    
        Отзывы
        
    
    
  
        Отзывов еще никто не оставлял
                
              Обратная связь
  
  
Преимущества
  
          Широкий ассортимент
        
        Мы привозим широкий ассортимент спа-бассейнов различных торговых марок.
        
          Скорость доставки
        
        Самая быстрая доставка и лучший сервис по установке и подключению спа-бассейна.
        
          Контроль качества
        
        Мы привозим только те бассейны, в которых уверены на все 100%. На складе всегда есть запасные части для осуществления ремонта или замены, чтобы обеспечить бесперебойное использование круглый год.
         
      