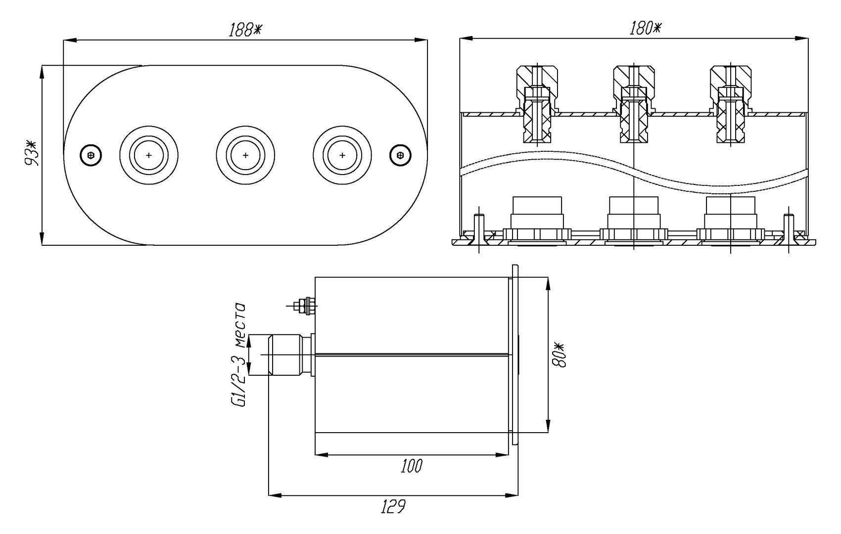
Изготовленные из нержавеющей AISI 316 стали закладные адаптеры модели АД.02.3/1 предназначены для надежной и эстетичной установки в стенку или борт бассейна 3 сенсорных пьезокнопок, управляющих работой различных видов электрифицированного оборудования. Герметично смонтированные при помощи адаптера сенсорные кнопки позволяют безопасно включать или выключать противотоки, гидромассажные форсунки, цепи подсветки, аэромассажные плато, водопады и другие водные аттракционы.
Адаптер АД.02.3/1 подходит для монтажа в бассейны с отделкой плиткой или мозаикой.
Для монтажа в бассейны с отделкой пленкой можно использовать универсальную модель АД.02.3-01/1 с прямоугольной лицевой панелью.
Основные технические данные
- Материал: нержавеющая сталь AISI 316
- Вывод кабеля пьезокнопки: наружная резьба 1/2" - 3 места
- Комплектация: корпус, зеркально полированная лицевая панель, винты крепления, герметизирующая прокладка
- Габаритные размеры закладной части: 180х93х129 мм
- Отделка бассейна: плитка или мозаика
Внимание! Сенсорные пьезокнопки в комплект не входят и приобретаются отдельно.
 
      