Изготовленные из нержавеющей стали закладные мини-адаптеры имеют более компактный вид и предназначены для надежной и эстетичной установки в стенку или борт бассейна сенсорных пьезокнопок, управляющих работой различных видов электрифицированного оборудования. Герметично смонтированная при помощи адаптера сенсорная кнопка позволяет безопасно включать или выключать противотоки, гидромассажные форсунки, цепи подсветки, аэромассажные плато, водопады и другие водные аттракционы.
Адаптер АД.02.0-0М подходит для монтажа в бассейны с отделкой плиткой или мозаикой.
Для монтажа в бассейны с отделкой пленкой можно использовать универсальную модель АД.02.0 с круглой лицевой панелью или модель АД.02.0-01 с квадратной лицевой панелью.
Основные технические данные
- Материал: нержавеющая сталь AISI 304
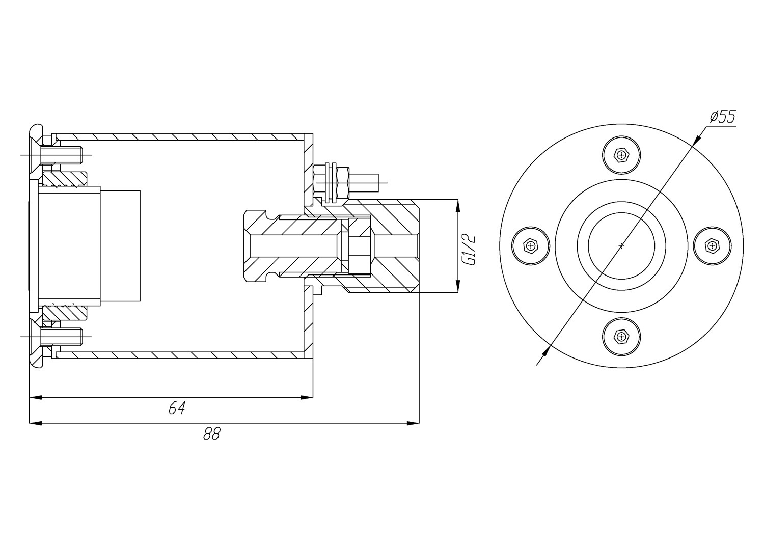
- Вывод кабеля пьезокнопки: резьба 1/2" наруж.
- Комплектация: корпус, зеркально полированная лицевая панель, винты крепления, герметизирующая прокладка
- Отделка бассейна: плитка или мозаика
Внимание! Сенсорная пьезокнопка в комплект не входит и приобретается отдельно.
