Адаптеры АД.01.2/1 предназначены для установки пневмокнопок PoolStar, позволяющих включать и выключать циркуляционные насосы водных аттракционов.
Зафиксированная в установленном на борту бассейна адаптере пневмокнопка при помощи герметичного шланга подключается к специальному блоку, управляющему работой циркуляционного насоса (или компрессора) противотоков, водопадов, гидромассажных форсунок, устройств аэромассажа.
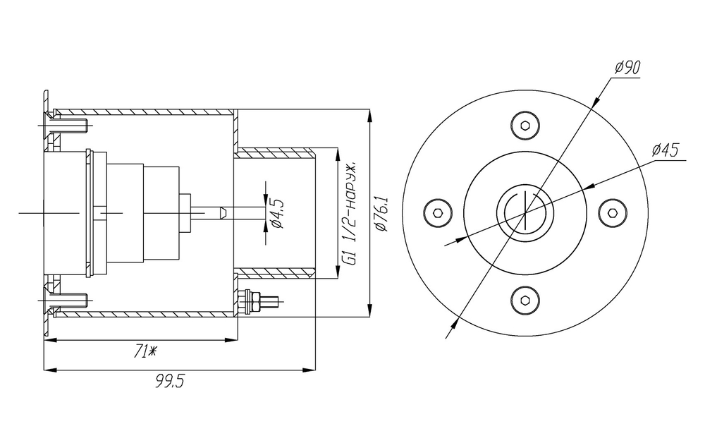
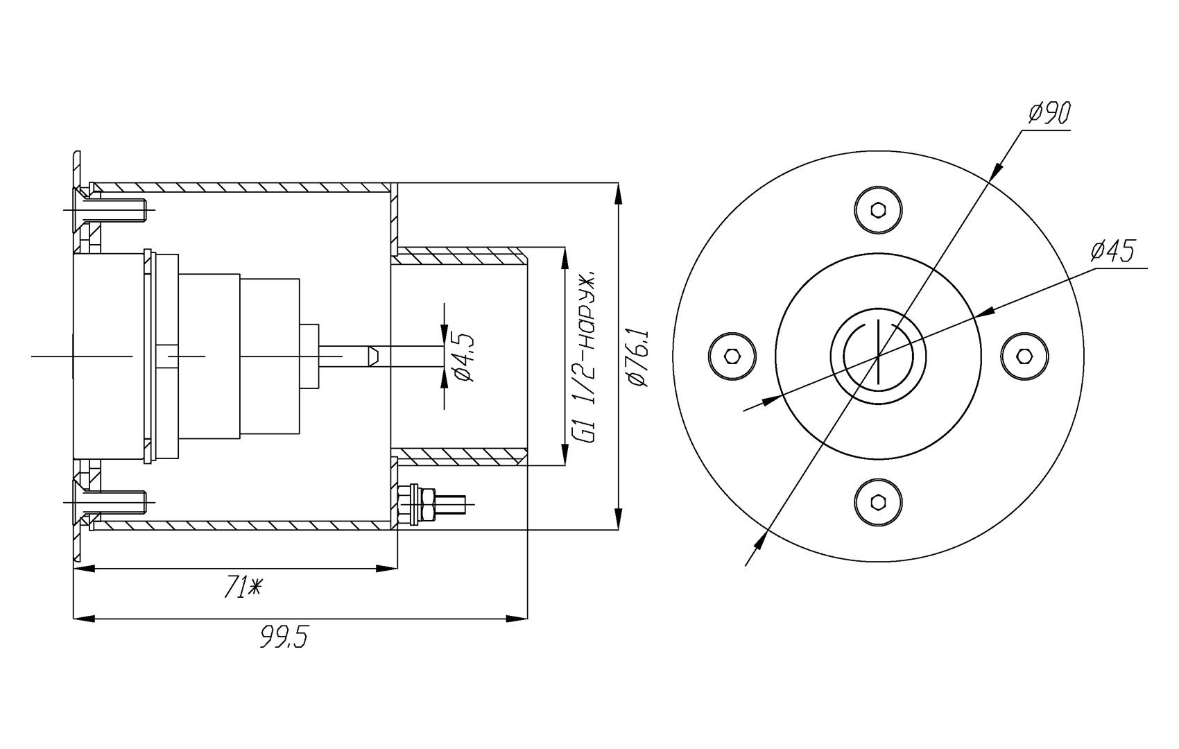
Основные технические данные
Компания Xenozone производит предназначенные для монтажа пневмокнопок адаптеры из нержавеющей стали AISI 316, за счет чего эти изделия эстетично выглядят и надежно защищены от коррозии. Важнейшие характеристики:
- Габаритные размеры (диаметр - высота): 90х99,5 мм.
- Материал корпуса: нержавеющая сталь AISI 316.
- Способ присоединения: наружная резьба 1 1/2".
- Комплектность: корпус, зеркально отполированная верхняя крышка, крепежные винты.
- Совместимые виды отделки стенок бассейнов: плитка, пленка, мозаика.
Следует обратить внимание, что адаптеры для пневмокнопок и схожих по внешнему виду сенсорных переключателей не взаимозаменяемы, так как отличаются установочными габаритами.
Особенности установки и эксплуатации
Обратите внимание, что из-за ограничения дальности эффективной работы пневмовыключателей, монтаж электронного блока управления рекомендуется производить на расстоянии не более 3 метров от пневмокнопки.
 
      