Регулируемая донная форсунка ФП.122.4/1 используется в основном в переливных бассейнах и является важной составляющей системы водообмена. Устройство обеспечивает возврат воды в чашу, ее оптимальное перемешивание и равномерное распределение химических реагентов.   
Благодаря особенностям конструкции данной модели, в которую входит специальная шайба и регулировочный винт, можно изменять скорость потока воды. А именно, регулируя диаметр проходного отверстия, можно настроить поток или полностью его перекрыть.
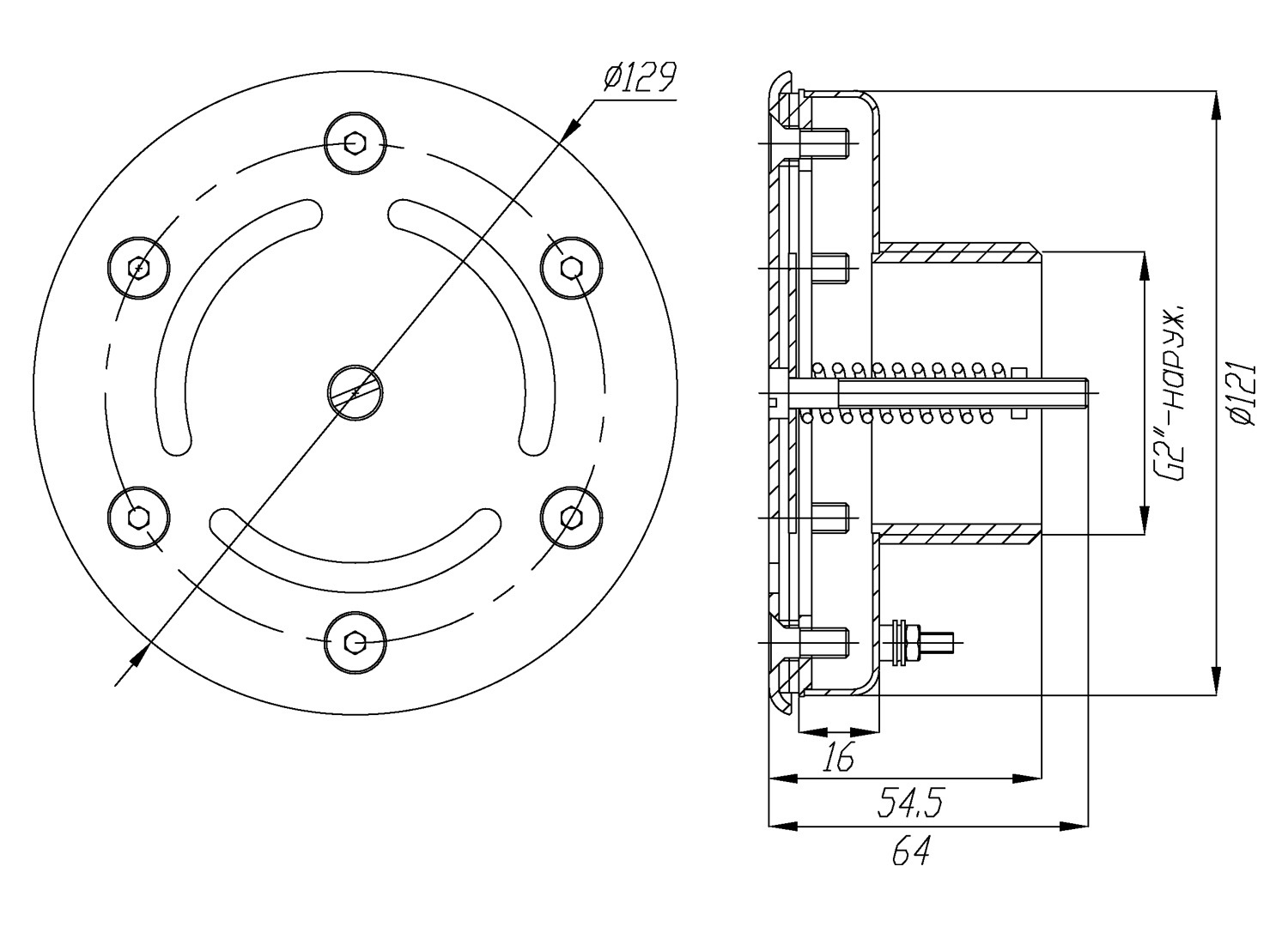
Технические характеристики и условия эксплуатации
- Диаметр лицевой панели: 128 мм
- Отделка бассейна: пленка или лайнер
- Подсоединение: 2 дюйма (наружная резьба)
- Материал изготовления: нержавеющая сталь AISI-316
- Отделка лицевой стороны: зеркальная полировка
- Количество уплотнительных прокладок: 2 шт.
Комплектация и особенности установки
Регулируемая донная форсунка д. 120 (арт. ФП.122.4/1) имеет закладную с наружным резьбовым подсоединением 2 дюйма. Резиновые уплотнения в комплекте позволяют произвести аккуратный монтаж изделия. Лицевая панель крепится к закладной шестью винтами. Более подробную схему можно посмотреть в Техническом паспорте изделия.
 
      