Гидромассажные форсунки модели ФГ.12/1 от компании Xenozone могут устанавливаться попарно и использоваться в качестве противотока, или одиночными изделиями в борт бассейна, если требуется организовать более мощный поток воды.
Технические характеристики
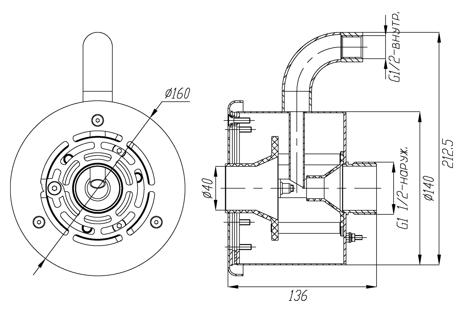
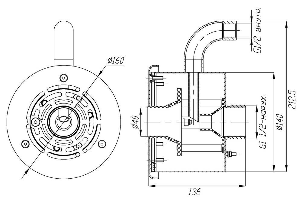
- Рекомендуемый расход воды: 12-20 м³/ч
- Диаметр лицевой панели: 160 мм
- Отделка бассейна: плитка (мозаика)/пленка (лайнер)
- Подсоединение водной магистрали: 1 ½ дюйма (наружная резьба)
- Подключение воздуха: 1/2 дюйма (внутренняя резьба)
- Материал изготовления: нержавеющая сталь AISI-316
- Отделка лицевой панели: зеркальная полировка
Особенности конструкции
Корпус форсунки изготовлен из нержавеющей стали AISI-316, обеспечивающей долговечность эксплуатации и стойкость к коррозии. Универсальность конструкции позволяет устанавливать их в бассейны с любым видом отделки бассейна: плиткой, пленкой или мозаикой.
Благодаря специально спроектированной системе эжекции, гидромассажные форсунки ФГ.12/1 обеспечивают мощный массажный эффект. Ключевой компонент – эжектор, изготовлен с применением технологии 3D-печати из ударопрочного ABS-пластика. Он отвечает за создание струи гидромассажа, засасывая воздух в поток воды.
Комплектация и особенности установки
Форсунка гидромассажа производительностью 12-20 м³/ч (арт. ФГ.12/1) имеет закладную с резьбовым подсоединением 1 ½ дюйма, поставляется в комплекте с эжектором и лицевой панелью.
Мы рекомендуем придерживаться рекомендованного расхода воды, так как недостаточная производительность насоса может привести к ухудшению работы системы эжекции и снижению подмеса воздуха.
Мы НЕ рекомендуем использование оборудования из нержавеющей стали в бассейнах с морской водой естественного или искусственного происхождения, а также там, где для дезинфекции используется метода электролиза/гидролиза.
Гидромассажные форсунки ФГ.12/1, как и остальные наши модели, не предназначены для установки в акриловых ваннах, душах и подобных конструкциях.
 
      