Гидромассажные форсунки модели ФГк.07/1 производства Xenozone – это форсунки с укороченной закладной частью, особенно актуальные для небольших бассейнов и купелей, где место для монтажа ограничено. Эта модель очень популярна и востребована у строителей, так как дает больше пространства для монтажа и разводки труб.
Технические характеристики
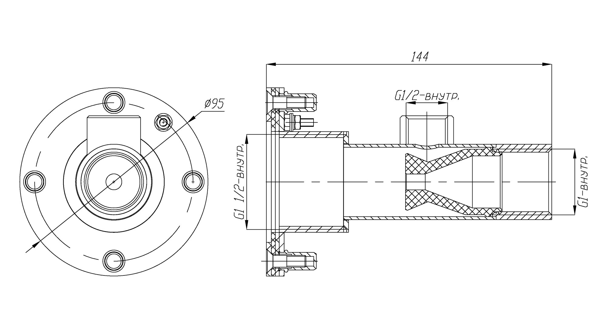
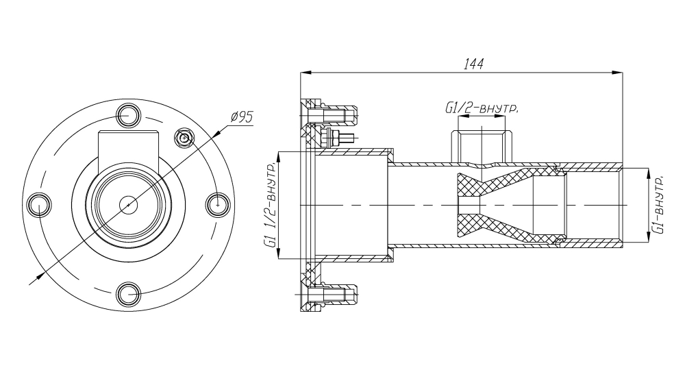
- Рекомендуемый расход воды: 7-12 м³/ч
- Диаметр лицевой панели: 95 мм
- Отделка бассейна: плитка (мозаика)/пленка (лайнер)
- Количество уплотнительных прокладок: 2 шт
- Подсоединение водной магистрали: 1 дюйм (внутренняя резьба)
- Подключение воздуха: 1 дюйм (внутренняя резьба)
- Материал изготовления: нержавеющая сталь AISI-316
- Отделка лицевой части: зеркальная полировка
Важно! Лицевая панель ФП.091.8/1 в комплект не входит и поставляется отдельно.
Особенности конструкции
Корпус форсунки гидромассажа изготовлен из нержавеющей стали AISI-316, обеспечивающей долговечность эксплуатации и стойкость к коррозии. Универсальность конструкции позволяет устанавливать их в бассейны с любым видом отделки бассейна: плиткой, пленкой или мозаикой.
Благодаря специально спроектированной системе эжекции, гидромассажные форсунки ФГк.07/1 обеспечивают мощный массажный эффект. Ключевой компонент – эжектор, изготовлен с применением технологии 3D-печати из ударопрочного ABS-пластика. Он отвечает за создание струи гидромассажа, засасывая воздух в поток воды.
Комплектация и особенности установки
Форсунка гидромассажа производительностью 7-12 м³/ч (арт. ФГк.07/1) имеет короткую закладную с резьбовым подсоединением 1 дюйм. Лицевая панель (покупается отдельно) имеет резьбу 1 ½ дюйма и устанавливается на закладной части, закручиваясь по резьбе. Высококачественные уплотнения гарантируют герметичность изделия. Более подробную схему можно посмотреть в Техническом паспорте изделия или на видео внизу страницы.
Мы рекомендуем придерживаться рекомендованного расхода воды, так как недостаточная производительность насоса может привести к ухудшению работы системы эжекции и снижению подмеса воздуха.
Форсунки производительностью 7-12 м3/час чаще всего устанавливаются попарно комплектом в 2, 4 или 6 устройств для эффективного массажа шейной зоны или спины. Также возможна установка одиночной форсунки – для направленного точечного воздействия.
Мы НЕ рекомендуем использование оборудования из нержавеющей стали в бассейнах с морской водой естественного или искусственного происхождения, а также там, где для дезинфекции используется метод электролиза/гидролиза.
Форсунки гидромассажа Ксенозон не подходят для установки в акриловых ваннах, душах и подобных конструкциях.
 
      