Распорная форсунка ФР.120.0 используется в основном при реставрации бассейнов переливного типа при необходимости монтажа на уже имеющуюся трубу возврата воды. Универсально подходит для бассейнов с любым видом отделки. Устройство обеспечивает возврат воды после фильтрации в чашу, ее оптимальное перемешивание и равномерное распределение химических реагентов.
Технические характеристики и условия эксплуатации
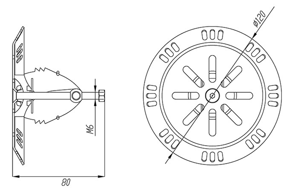
- Диаметр лицевой панели: 120 мм
- Отделка бассейна: не имеет значения
- Подсоединение: труба диаметром 50, 63 или 75 мм
- Материал изготовления: нержавеющая сталь AISI-304
- Отделка лицевой стороны: зеркальная полировка
- Расположение: дно бассейна
Комплектация и особенности установки
Особенность конструкции данной модели (арт. ФР.120.0) – универсальный распорный механизм, работа которого показана на видео внизу страницы. Механизм имеет три положения, что позволяет без дополнительных затрат, установить новую форсунку в уже имеющуюся в бассейне трубу диаметрами 50, 63 или 75 мм. Рисунок отверстий лицевой панели обеспечивает рассеивающий эффект. Более подробную схему можно посмотреть в Техническом паспорте изделия.
 
      