Стеновая форсунка ФП.091.5 используется в основном в бассейнах скиммерного типа, это важная составляющая системы водоподготовки бассейна. Устройство обеспечивает возврат воды в чашу, ее оптимальное перемешивание и равномерное распределение химических реагентов.
Классический дизайн лицевой панели не только выполняет свою основную функцию по равномерному распределению водного потока, но и гарантированно подойдет под любой стиль оформления бассейна.
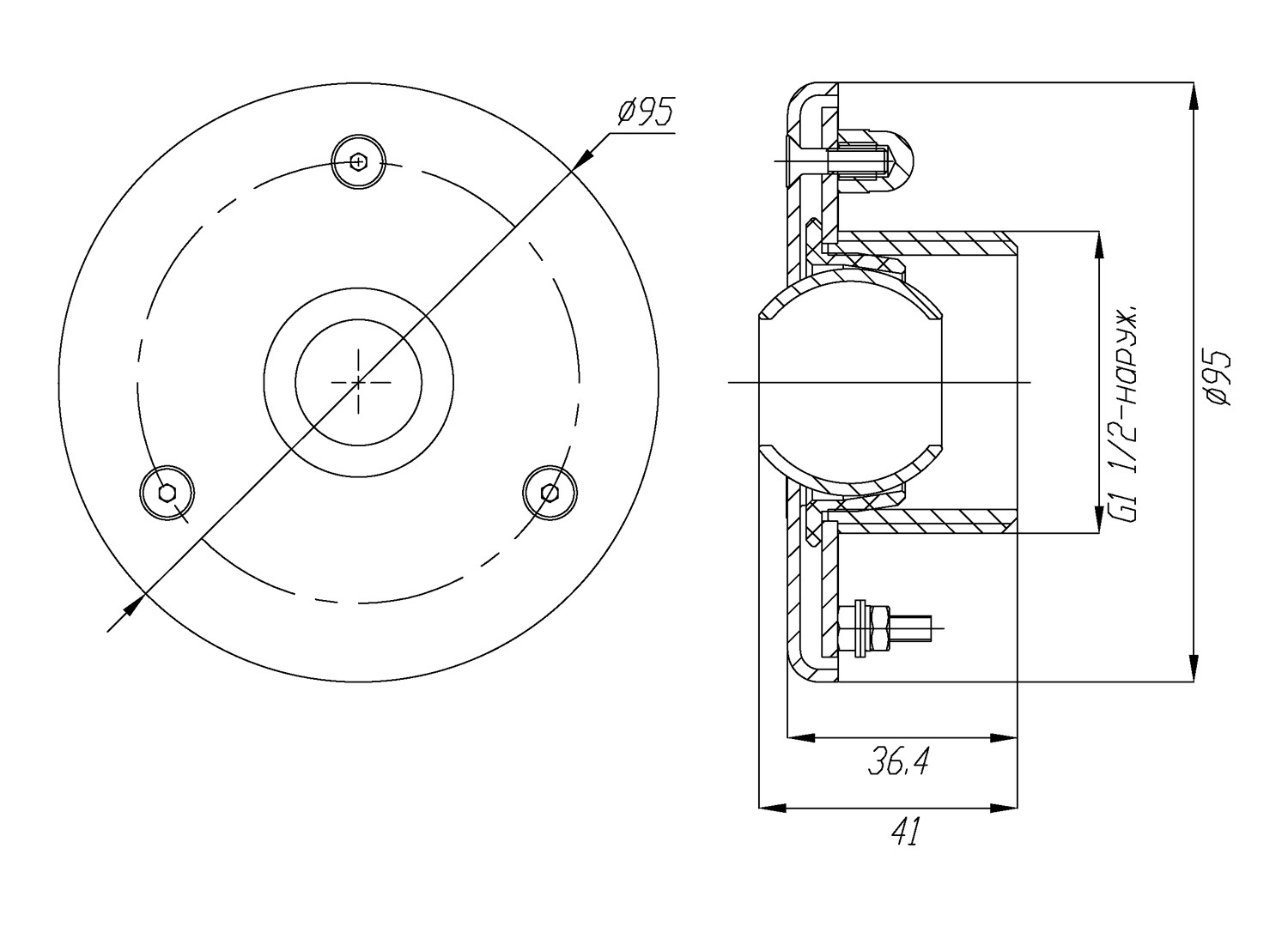
Технические характеристики и условия эксплуатации
- Диаметр лицевой панели: 96 мм
- Отделка бассейна: плитка или мозаика
- Подсоединение: 1,5 дюйма (наружная резьба)
- Материал изготовления: нержавеющая сталь AISI-304
- Отделка лицевой стороны: зеркальная полировка
Комплектация и особенности установки
Стеновая форсунка для установки в борт бассейна (арт. ФП.091.5) имеет закладную с наружным резьбовым подсоединением 1,5 дюйма и регулируемый конический диффузор для изменения направления потока. Лицевая панель крепится к закладной тремя винтами. Более подробную схему можно посмотреть в Техническом паспорте изделия.
 
      