Пневмокнопки российского производителя Pool Star предназначены для управления водными аттракционами частных и общественных бассейнов. Принцип действия кнопки, обеспечивающей дистанционное срабатывание выключателя при изменении давления в пневмошланге, максимально соответствует условиям эксплуатации в водной среде.
При помощи установленных под водой или на борту чаши пневмокнопок удобно включать и выключать водопады, аэромассажные плато, противотоки и другое оборудование бассейна.
Пневмокнопки ПНК.02 совместимы с блоками управления аттракционами БУ.03, а по своей конструкции и габаритным размерам – с адаптерами для пневмокнопок и противотоками Xenozone с пневмокнопкой. Совместимость с противотоками и адаптерами других производителей не гарантируется.
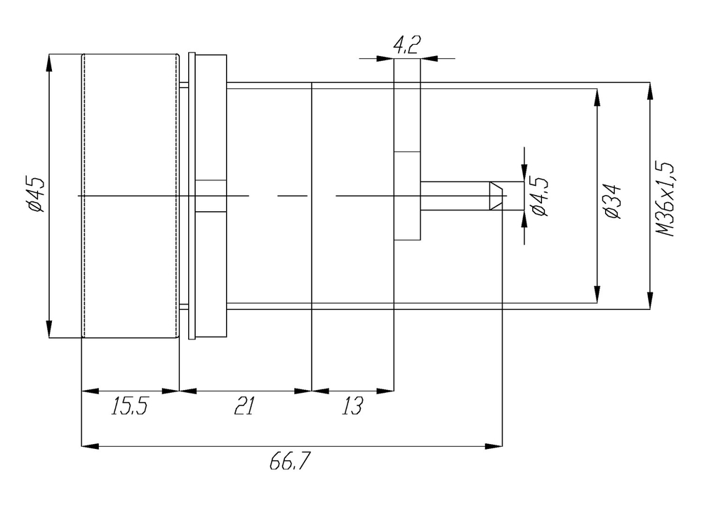
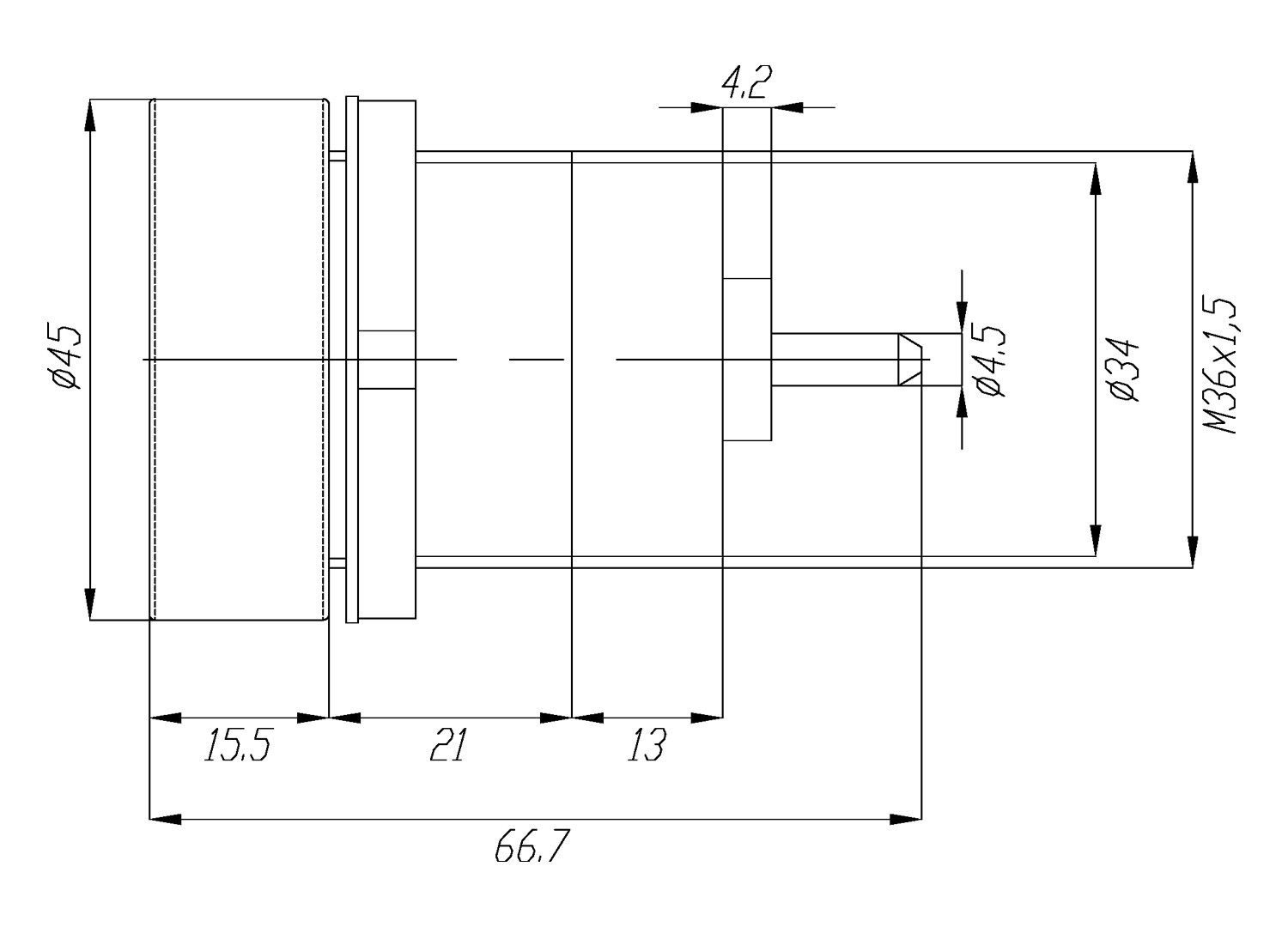
Основные технические данные
- Материал корпуса кнопки: коррозионностойкий сплав.
- Габариты (диаметр, высота): 45х66,7 мм.
- Возможность установки в стенки бассейнов с любым типом покрытия
- Подключение к нагрузке: через специализированный блок управления аттракционами.
Особенности монтажа и эксплуатации
Пневмокнопка может являться деталью аттракциона и монтироваться в его лицевую панель – как например в противотоках Ксенозон. Также кнопки пневматического типа могут устанавливаться в борт бассейна при помощи адаптера из нержавейки, или без него ‒ непосредственно в заранее подготовленный канал. Для всех способов установки в корпусе кнопки предусмотрена наружная резьба. С точки зрения технической надежности и эстетики вариант монтажа с использованием адаптера более целесообразен.
Из-за технологических особенностей пневмовыключатели имеют ограничения по удаленности от блока управления. Для их эффективной работы расстояние между пневмокнопкой и электронным блоком управления должно составлять не более 3 метров. В противном случае, при передаче по длинному воздуховоду сигналы могут затухать и не доходить до блока управления.
Стойкий сплав, из которого изготовлены пневмокнопки PoolStar, рассчитан на контакт с подсоленной водой (например, при использовании электролизера). При установке пневмокнопки в бассейн подсоленной водой, рекомендуем выбрать адаптер, выполненный из более стойкой стали марки AISI-316.
