Встраиваемые противотоки с двумя нагнетающими соплами создают встречный поток воды, который позволяет купающимся плыть без продвижения вперед даже в бассейнах небольшой длины. Противотоки производительностью 75 м3/час пригодны для любительских и профессиональных тренировок по плаванию средней интенсивности, для интенсивных тренировок рекомендуем выбирать модели с большей производительностью, например, узкие противотоки с 3-мя соплами.
Противотоки с встроенным поручнем оптимальны для эксплуатации в качестве гидромассажных устройств, что делает их востребованным элементом оборудования спа комплексов и аквапарков.
В комплект поставки входит закладная деталь с лицевой панелью и встроенной пьезокнопкой (циркуляционный насос, блок управления и трубопроводная арматура, необходимые для оснащения узла противотока, в комплект не входят и приобретаются отдельно). Противоток имеет универсальное исполнение и может устанавливаться в бассейнах с любым видом отделки.
В компании Xenozone вы сможете купить противоток производительностью 75 м3/час по цене производителя, с гарантией 1 год. Вся наша продукция изготавливается из лучших марок нержавеющей стали, отличается высоким качеством и длительным сроком службы. Так как противотоки являются встраиваемым оборудованием, их покупку и монтаж следует запланировать до начала работ по строительству бассейна.
Основные технические характеристики
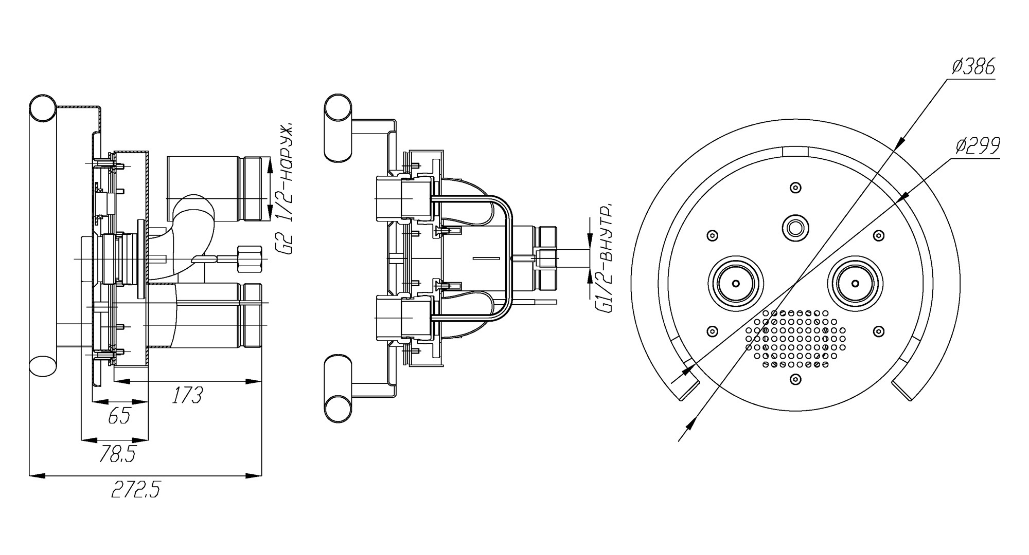
- Общие габариты противотока вместе с поручнем: 386x272,5 мм
- Диаметр лицевой панели: 299 мм
- Габаритные размеры закладной части: 254х198,5 мм
- Рекомендуемый расход воды: до 75 м3/час
- Материал изготовления: нержавеющая сталь AISI 304
Особенности конструкции
- Количество сопел подачи воды: 2
- Сопла поворотные, имеют возможность небольшой регулировки направления потока
- Устройство включения/выключения: пьезокнопка
- Присоединение водной магистрали: 2 1/2" (наружная резьба)
- Присоединение трубки регулятора подмеса воздуха: 1/2" (внутренняя резьба)
- Вывод кабеля пьезокнопки: 1/2" (наружняя резьба)
- Совместимые виды отделки стенок бассейна: плитка, пленка, мозаика.
Основным отличием данной модели является её комплектация многофункциональной пьезокнопкой с LED подсветкой. С её помощью можно не только управлять включением и выключением устройства, но и переключать заранее заданные режимы работы. Для этого кнопка должна быть подключена к специальному блоку управления (в комплект поставки не входит, приобретается отдельно).
Пьезокнопки управления водными аттракционами современнее и технологичнее применяемых в других моделях противотоков пневмокнопок. Последние имеют ограничение по удалению от блока управления аттракционом и при слишком длинной пневматической магистрали сигнал может слабеть и не достигать управляющего устройства. Пьезокнопки этого недостатка не имеют. Кроме того, пьезокнопки имеют световую индикацию режимов работы, благодаря чему видны под водой и в целом более визуально привлекательны.
Порядок монтажа и эксплуатации
Для наилучшей работы противотоки следует устанавливать таким образом, чтобы расстояние от центров выпускных сопел до зеркала воды составляло 250-300 мм (максимально - до 400 мм).
Постоянный контакт с химически активной средой может отрицательно сказаться на внешнем виде и функциональности деталей из нержавеющей стали. В связи с этим эксплуатация противотоков XENOZONE из нержавеющей стали AISI 304 не рекомендуется в бассейнах с морской водой (как естественного, так и искусственного происхождения), а также в случаях обеззараживания водной среды при помощи солевых электролизеров.
