Противоток XENOZONE с круглой лицевой панелью, поручнем и пневмокнопкой рассчитан на поток до 50 м3/час, имеет универсальное исполнение и может устанавливаться в бассейнах со всеми видами отделки. Данная модель оптимальна для использования в качестве гидромассажного устройства в аквапарках и спа комплексах или частных бассейнах.
В комплект изделия входит закладная деталь из нержавейки с полированной передней панелью и встроенной пневмокнопкой. Циркуляционный насос, блок управления и присоединительная арматура, необходимые для работы оборудования узла противотока, приобретаются отдельно.
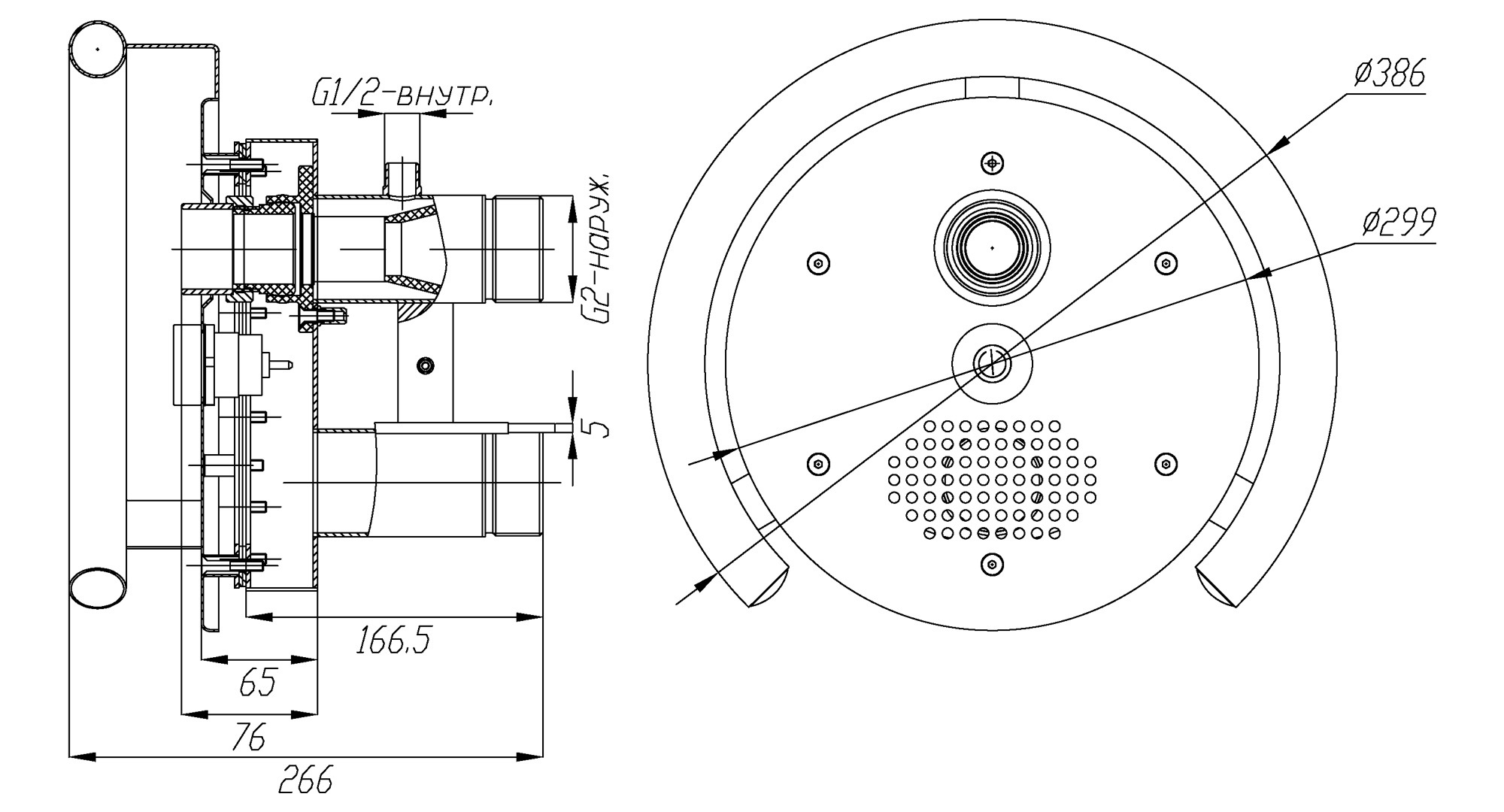
Основные технические характеристики
- Общие габариты противотока вместе с поручнем: 386x266 мм
- Диаметр лицевой панели: 299 мм
- Габаритные размеры закладной части: 255х192 мм
- Рекомендуемый расход воды: до 50 м3/час
- Материал изготовления: нержавеющая сталь AISI 304
Особенности конструкции
- Количество сопел подачи воды: 1
- Сопло поворотное, имеет возможность небольшой регулировки направления потока
- Устройство включения/выключения: пневмокнопка
- Трубка подсоединения пневмошланга для кнопки: д. 5 мм
- Присоединение водной магистрали: 2 1/2" (наружная резьба)
- Присоединение трубки регулятора подмеса воздуха: 1/2" (внутренняя резьба)
- Совместимые виды отделки стенок бассейна: плитка, пленка, мозаика.
Установленная в данной модели пневмокнопка проста по конструкции и надежна, но для ее стабильной работы блок управления аттракционом рекомендуется размещать на расстоянии, не превышающем 3 м от противотока – в противном случае при передаче по длинному воздуховоду сигналы могут затухать и не доходить до блока.
Если ваше техническое помещение не позволяет разместить блок управления поблизости, рекомендуем вам выбирать модели противотоков, которые комплектуются пьезокнопкой. Они не ограничены по удаленности размещения блока управления (до 500 м), более современны и технологичны.
Порядок монтажа и эксплуатации
Противотоки XENOZONE относятся к категории встраиваемого оборудования, поэтому их установку следует планировать на этапе проектирования и начала строительства бассейна. Для наилучшей работы противотоки следует устанавливать таким образом, чтобы расстояние от центров выпускных сопел до зеркала воды составляло 150-250 мм (максимально - до 400 мм).
Постоянный контакт с химически активной средой может отрицательно сказаться на внешнем виде и функциональности деталей из нержавеющей стали. В связи с этим эксплуатация противотоков XENOZONE из нержавеющей стали AISI 304 не рекомендуется в бассейнах с морской водой (как естественного, так и искусственного происхождения), а также в случаях обеззараживания водной среды при помощи солевых электролизеров.
