Станции очистки воды модели Ксенозон Скаут Дуо-200 подходят для использования в стационарных домашних бассейнах с объемом чаши до 200 м3. Обработка воды в данной системе предполагает одновременное воздействие на водную среду озона и УФ излучения, что обеспечивает наилучший обеззараживающий эффект и разложение органических примесей в воде без хлора!
От качества обеззараживания и очистки воды в бассейне всецело зависит не только эстетическое удовольствие от купания, но и безопасность для здоровья купающихся, поэтому решение купить систему очистки бассейна Xenozone Scout Duo станет верным вложением средств его владельца.
Эксплуатационные преимущества модели
В основе функционала предлагаемых систем XENOZONE SCOUT DUO лежит технология интенсивного окисления (Advanced Oxidation Technology) – подробнее о технологии и ее возможностях можно почитать в нашей статье.
В отличие от классических УФ установок, которые успешно подавляют жизнедеятельность вирусов и бактерий, но не обладают способностью разлагать органические примеси, мобильные комбинированные системы SCOUT способны решать в том числе и эту задачу. А использование в схеме озона позволяет устранять неприятные запахи и снижать цветность воды.
Дополнительным преимуществом АОР-систем является высокая эффективность разложения побочных продуктов хлорирования. Установки Scout Duo-200 нейтрализуют хлорамины и другие побочные продукты применения хлорсодержащих веществ, что особенно ценно в случае использования систем в сочетании с хлором.
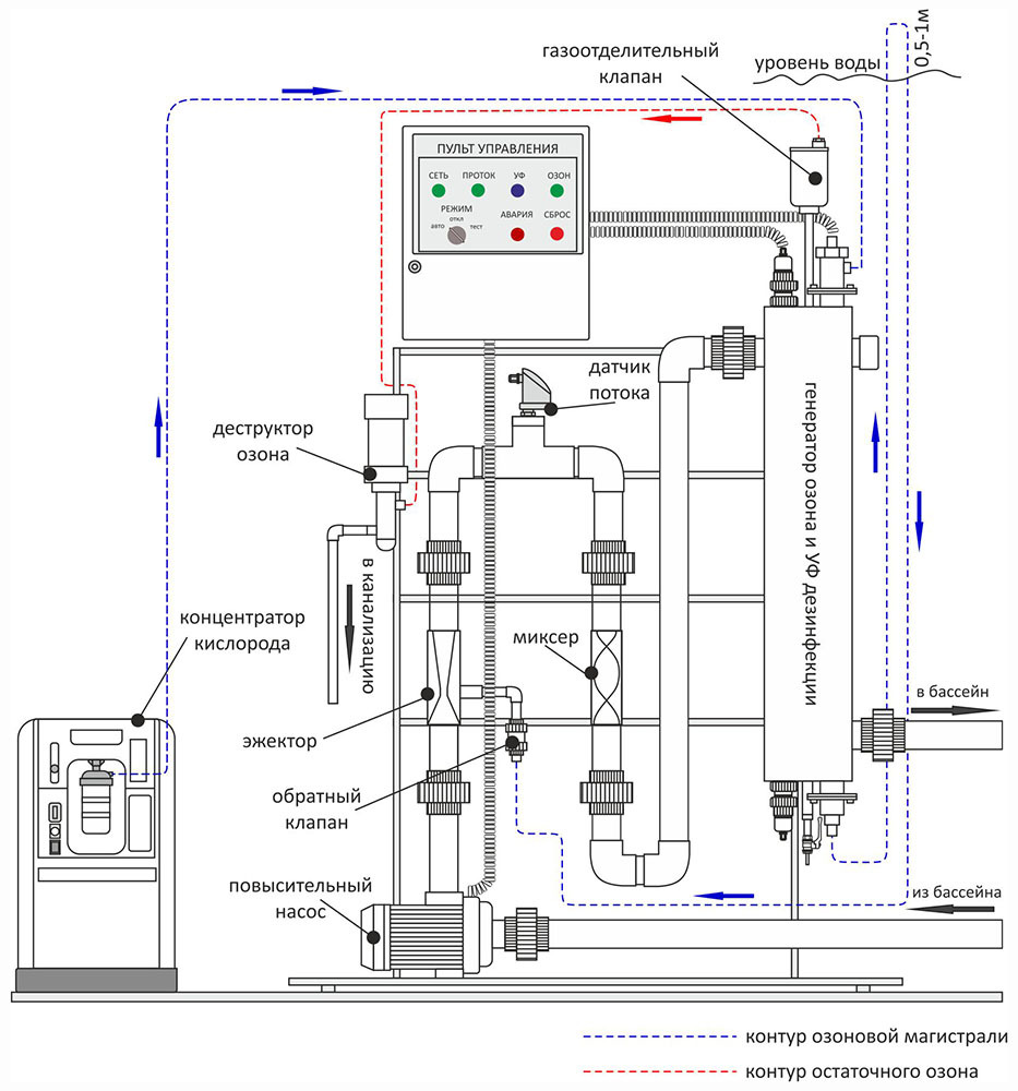
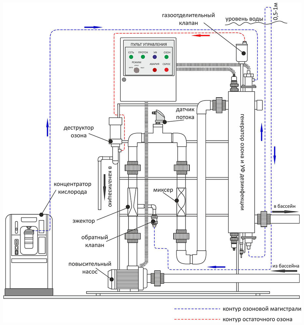
Комплектность
Система SCOUT DUO поставляется смонтированной на компактной мобильной стойке в полностью готовом к эксплуатации виде – достаточно подсоединить к фильтрационной магистрали. В комплект поставки входят следующие узлы и комплектующие:
- Генератор озона с УФ-стерилизатором
- Концентратор кислорода
- Насос
- Датчик протока
- Устройство подачи озона в воду
- Защитный обратный клапан воздушной магистрали
- Статический миксер
- Автоматический газоотводный клапан
- Деструктор остаточного озона
- Газоанализатор (датчик озона в воздухе)
- Электрический шкаф питания и управления станцией
Основные технические характеристики:
- Выработка озона: 12 г/час
- Рекомендованный объем бассейна: не более 200 м3
- Максимальная электрическая мощность потребления: 1,76 кВт
- Напряжение питания: однофазное, 230 В
- Пропускная способность системы эжекции по воде: не более 6 м3 в час
- Габариты (ВхШхГ): 1780*600*480 мм
- Масса в сборе: 65 кг
Расходные элементы:
- УФ-лампа – 1 шт.
- Мощность УФ лампы - 140 Вт
- Срок службы – 9000 часов.
Условия эксплуатации
Внимание! Оборудование не предназначено для эксплуатации в бассейнах с морской водой или с использованием электролизера.
Монтаж, подключение и обслуживание систем следует производить в соответствии с требованиями, изложенными в техническом паспорте изделия.
 
      