Станции очистки воды модели Ксенозон Скаут Дуо-50 предназначены для использования в стационарных частных бассейнах с объемом чаши до 50 м3. Обработка воды в данной системе предполагает одновременное воздействие на водную среду озона и УФ излучения, что обеспечивает наилучший обеззараживающий эффект и разложение органических примесей в воде.
От качества обеззараживания и очистки воды в бассейне всецело зависит не только эстетическое удовольствие от купания, но и безопасность для здоровья купающихся, поэтому решение купить систему очистки бассейна Xenozone Scout Duo станет верным вложением средств его владельца.
Эксплуатационные преимущества модели
В основе функционала предлагаемых систем SCOUT DUO лежит технология интенсивного окисления (Advanced Oxidation Technology).
В отличие от классических УФ установок, которые успешно подавляют жизнедеятельность вирусов и бактерий, но не обладают способностью разлагать органические примеси, системы SCOUT способны решать в том числе и эту задачу. А использование в схеме озона позволяет устранять неприятные запахи и снижать цветность воды.
Дополнительным преимуществом АОР-систем является высокая эффективность разложения побочных продуктов хлорирования. Установки Scout Duo-50 нейтрализуют хлорамины и другие побочные продукты применения хлорсодержащих веществ, что особенно ценно в случае использования систем в сочетании с хлором.
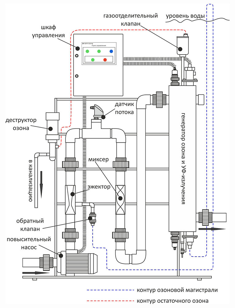
Принцип работы систем Scout Duo-50
Систему встраивают в обводной трубопровод магистрали фильтрации на участке за теплообменниками, но до станции дозирования химреагентов. Нагнетание воды в систему выполняется за счет давления, создаваемого повысительным насосом.
Главными функциональным элементом установки является генератор озона с ультрафиолетовой активацией. Корпус генератора состоит из двух контуров – воздушного и жидкостного. Генерация озона при помощи разрядного электрода происходит в воздушном контуре – из воздуха или кислорода в зависимости от модели. Лампа – источник бактерицидного ультрафиолета с длиной волны 254 нм установлена в водяной части системы.
Насыщение воды озоном производится в статическом миксере, куда озон поступает через специальный эжектор. Далее обогащенная озоном вода перетекает в жидкостный контур, где подвергается бактерицидному облучению ультрафиолетом. Под его действием происходит УФ-активация озона и в воде образуются гидроксильные радикалы OH – мощный окислитель, моментально разлагающий хлорамины и другие компоненты органического и биологического характера.
В итоге, после трехступенчатой обработки озоном, ультрафиолетом и гидроксильными радикалами из водяного контура станции Scout Duo-50 через основную магистраль очищенная вода поступает обратно в бассейн. При этом безопасна в эпидемиологическом отношении, имеет свежий запах и приятный голубой оттенок чистого природного водоема!
Комплектность
Система SCOUT DUO поставляется смонтированной на компактной мобильной стойке в полностью готовом к эксплуатации виде – достаточно подсоединить к фильтрационной магистрали. В комплект поставки входят следующие узлы и комплектующие:
- Генератор озона с УФ-активацией
- Насос
- Датчик протока
- Система эжекции
- Защитный обратный клапан воздушной магистрали
- Статический миксер
- Автоматический газоотводный клапан
- Деструктор остаточного озона
- Электрический шкаф питания и управления станцией
Основные технические характеристики:
- Выработка озона: 2 г/час
- Рекомендованный объем бассейна: не более 50 м3
- Максимальная электрическая мощность потребления: 1,39 кВт
- Напряжение питания: однофазное, 230 В
- Пропускная способность системы эжекции по воде: не более 4 м3 в час
- Габариты (ВхШхГ): 1680*600*400 мм
- Масса в сборе: 50 кг
Расходные элементы:
- УФ-лампа – 1 шт
- Мощность УФ лампы - 55 Вт
- Срок службы – 9000 часов
Условия эксплуатации
Внимание! Оборудование не предназначено для эксплуатации в бассейнах с морской водой или с использованием электролизера.
Монтаж, подключение и обслуживание систем следует производить в соответствии с требованиями, изложенными в техническом паспорте изделия.
