Установки очистки воды модели Ксенозон Скаут Дуо-500 предназначены для использования в больших частных бассейнах загородных домов и коттеджей (объемом до 500 м3). Обработка воды в данной системе предполагает одновременное воздействие на водную среду озона и УФ излучения, что обеспечивает наилучший обеззараживающий эффект и разложение органических примесей в воде.
От качества дезинфекции и очистки воды в бассейне всецело зависит не только эстетическое удовольствие от купания, но и безопасность для здоровья купающихся, поэтому решение купить систему очистки бассейна Xenozone Scout Duo станет верным вложением средств его владельца.
Эксплуатационные преимущества модели
В основе функционала предлагаемых систем XENOZONE SCOUT DUO лежит технология интенсивного окисления (Advanced Oxidation Technology) – именно она позволяет нам получать воду, которая имеет свежий запах, приятный голубой оттенок чистого природного водоема и при этом безопасна в эпидемиологическом отношении!
В отличие от классических УФ установок, которые успешно дезинфицируют воду от вирусов и бактерий, но не обладают способностью разлагать органические примеси, системы SCOUT способны решать в том числе и эту задачу. А использование в схеме озонатора позволяет устранять неприятные запахи и снижать цветность воды.
Дополнительным преимуществом АОР-систем является высокая эффективность разложения побочных продуктов хлорирования. Установки Scout Duo-500 нейтрализуют хлорамины и другие побочные продукты применения хлорсодержащих веществ, что особенно ценно в случае использования систем в сочетании с хлором.
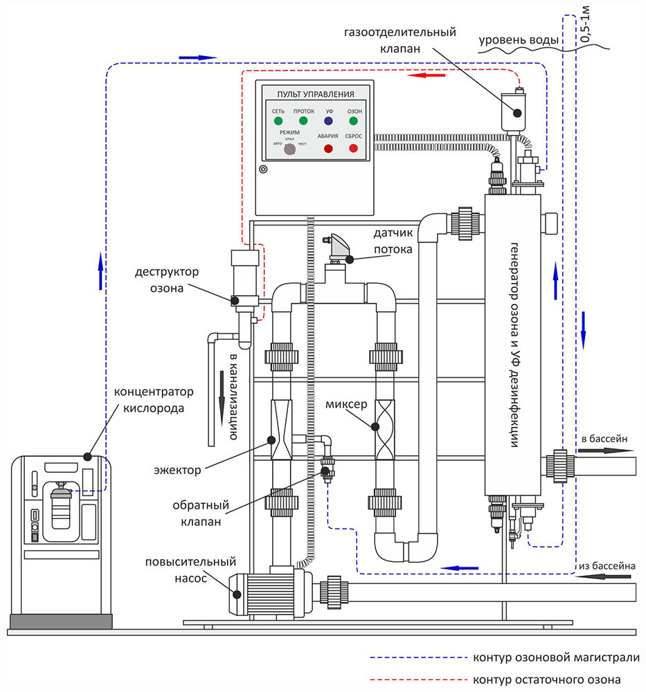
Комплектность
Система SCOUT DUO поставляется смонтированной на компактной мобильной стойке в полностью готовом к эксплуатации виде – достаточно подсоединить к фильтрационной магистрали. В комплект поставки входят следующие узлы и комплектующие:
- Озонатор (генератор озона) с УФ-стерилизатором
- Концентратор кислорода
- Насос
- Датчик протока
- Устройство подачи озона в воду (система эжекции)
- Защитный обратный клапан воздушной магистрали
- Статический миксер
- Автоматический газоотводный клапан
- Деструктор остаточного озона
- Газоанализатор (датчик озона в воздухе)
- Электрический шкаф питания и управления станцией
Основные технические характеристики:
- Выработка озона: 20 г/час
- Рекомендованный объем бассейна: не более 500 м3
- Максимальная электрическая мощность потребления: 1,89 кВт
- Напряжение питания: однофазное, 230 В
- Пропускная способность системы эжекции по воде: не более 6 м3 в час
- Габариты (ВхШхГ): 1780*600*480 мм
- Масса в сборе: 65 кг
Расходные элементы:
- Ультрафиолетовая лампа – 1 шт
- Мощность УФ лампы - 140 Вт
- Срок службы – 9000 часов.
Условия эксплуатации
Внимание! Оборудование не предназначено для эксплуатации в бассейнах с морской водой или с использованием электролизера.
Монтаж, подключение и обслуживание систем следует производить в соответствии с требованиями, изложенными в техническом паспорте изделия.
 
      