Модель линейки теплообменников XENOZONE мощностью 28 кВт предназначена для подогрева воды в открытых и крытых плавательных бассейнах, а также в УЗВ (устройство замкнутого водоснабжения) для разведения рыбы.
Конструктивно теплообменник состоит из корпуса, в котором циркулирует вода из бассейна (вторичный контур), и расположенного внутри змеевика для прокачки горячего теплоносителя (первичный контур).
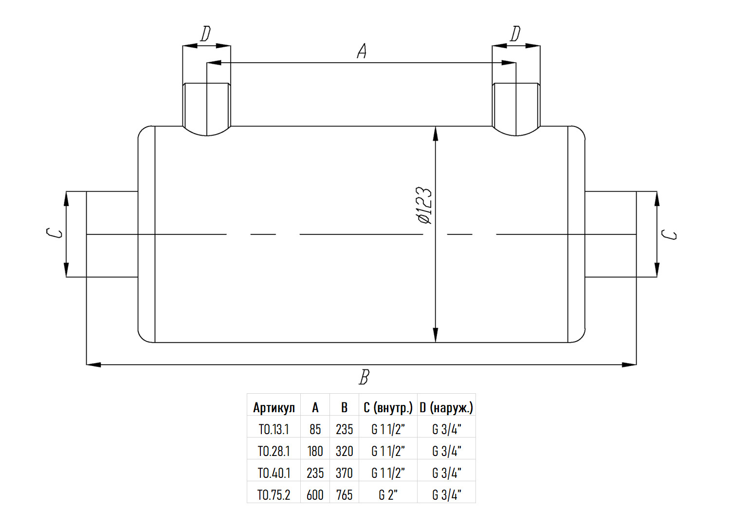
Данная модель предназначена для монтажа в горизонтальном положении для достижения наилучших параметров теплопереноса.
Технические характеристики
- Материал корпуса: нержавеющая сталь марки AISI-304
- Тепловая мощность: 28 кВт
- Подсоединение: контур теплоносителя резьба 3/4", контур бассейна - резьба 1 1/2''
- Максимальное значение температуры теплоносителя: 130°C
- Номинальное рабочее давление: 5,5 Бар
- Номинальный срок службы – 10 лет
К числу преимуществ изготовленного из коррозионностойкой нержавеющей стали горизонтального теплообменника XENOZONE 28 кВт следует отнести удобства монтажа и эксплуатации, эффективный водоподогрев и длительный срок службы без необходимости ремонтов и затратного обслуживания. Модель поставляется с гарантией производителя сроком 12 месяцев.
Подбор теплообменника для бассейна
Основными параметрами для подбора теплообменника являются объем бассейна и место его расположения (крытый или на улице).
- Мощность теплообменников для уличных бассейнов в кВт = объем бассейна в м3.
- Мощность теплообменников для бассейнов внутри помещений в кВт = 0,7 * объема бассейна в м3.
Заявленная теплопроизводительность теплообменника будет обеспечиваться только при соответствии разницы температур и скорости протока в контурах установленным в паспорте значениям.
Требования к монтажу и условиям эксплуатации
Порядок установки двухконтурного теплообменника XENOZONE изложен в техническом паспорте изделия.
В документе представлены рекомендованные схемы подключения и правила безопасной эксплуатации. Монтажные работы должны выполняться квалифицированными специалистами, имеющими опыт установки и обслуживания подобных систем.
Следует учитывать, что заявленная теплопроизводительность теплообменника будет обеспечиваться только при соответствии разницы температур и скорости протока в контурах установленным в паспорте значениям.
Запрещается применять устройство для подогрева бассейнов и гидромассажных ванн с морской водой, а также в бассейнах с использованием электролизера.
Комплект поставки
В комплект поставки входит:
- теплообменник Xenozone 28 кВт,
- кронштейн и хомуты крепления,
- технический паспорт изделия.
Приборы и аксессуары, необходимые для устройства обвязки первичного и вторичного контуров (термостат, циркуляционный насос и электромагнитный клапан) в комплект не входят и приобретаются отдельно.
