Теплообменник XENOZONE мощностью 120 кВт предназначен для циркуляционного водоподогрева бассейнов открытого и закрытого типа, а также в УЗВ для разведения рыбы. Данная модель рассчитана на установку в вертикальном положении, за счет чего занимает минимум места и удобна для монтажа и производства сервисных работ.
Конструктивно теплообменник состоит из стального цилиндрического корпуса, через который прокачивается вода из чаши бассейна (вторичный контур устройства), и размещенного внутри его первичного контура, по которому прокачивается теплоноситель. Для повышения эффективности теплообмена первичный контур выполнен в виде системы трубок.
Для производства данной модели мы используем высококачественную нержавеющую сталь марки AISI-304. За счет высокой стойкости корпуса и трубчатого теплообменного контура к коррозии, изделие имеет длительный срок службы.
Описание работы
Эффективный подогрев подающейся в корпус устройства воды из бассейна производится за счет большой площади контакта с горячими трубками первичного контура. Подача теплоносителя осуществляется при помощи циркуляционного насоса, а его источником может являться система отопления дома или специально установленный газовый котел. Для контроля и управления работой системы подогрева в магистраль встраивается термостат. Термостат и циркуляционный насос в комплект поставки не входят и приобретаются отдельно.
Технические характеристики
- Материал корпуса: нержавеющая сталь марки AISI-304
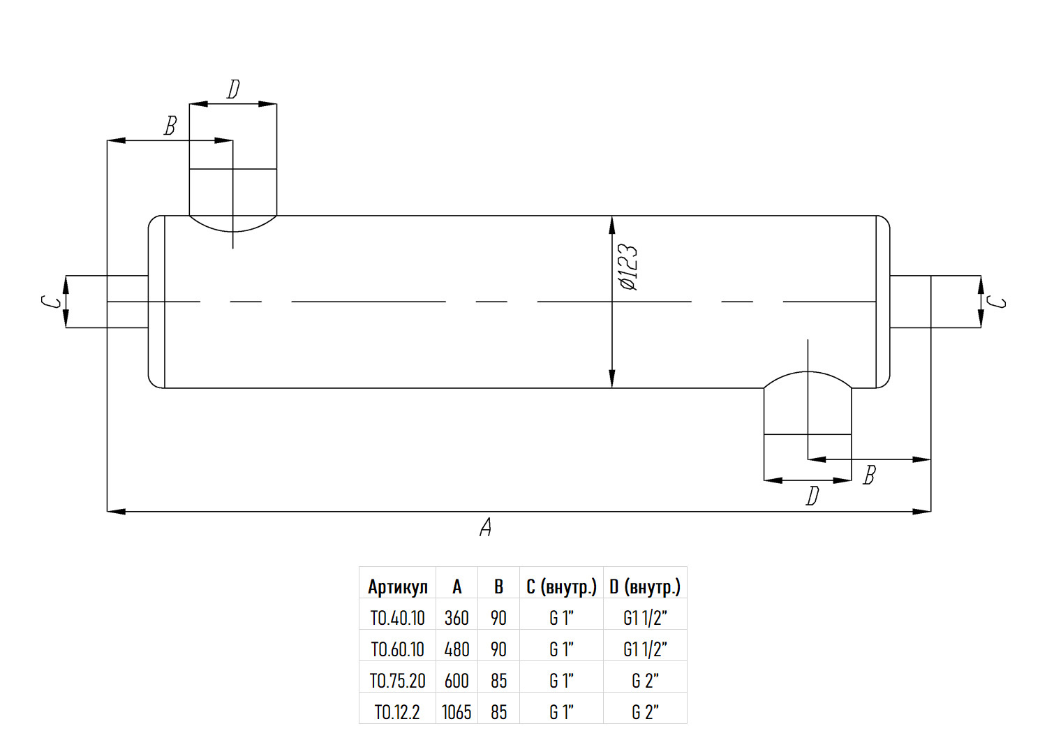
- Тепловая мощность: 120 кВт
- Подсоединение: контур теплоносителя резьба 1", контур бассейна - резьба 2''
- Максимальное значение температуры теплоносителя: 130°C
- Номинальное рабочее давление: 5,5 Бар
- Номинальный срок службы – 10 лет.
- Гарантия: 1 год.
Подбор теплообменника для бассейна
Основными параметрами для подбора теплообменника являются объем бассейна и место его расположения (крытый или на улице).
- Мощность теплообменников для уличных бассейнов в кВт = объем бассейна в м3.
- Мощность теплообменников для бассейнов внутри помещений в кВт = 0,7 * объема бассейна в м3.
Заявленная теплопроизводительность теплообменника будет обеспечиваться только при соответствии разницы температур и скорости протока в контурах установленным в паспорте значениям.
Порядок монтажа и эксплуатации
Сведения об установке двухконтурного вертикального теплообменника XENOZONE подробно изложены в паспорте устройства. Монтаж и подключение изделия по представленным схемам должен производить квалифицированный мастер, имеющий успешный опыт работы с подобным оборудованием и в полном объеме соблюдающий все соответствующие требования ОТ и ТБ.
Чтобы теплообменник вышел на заявленную в паспорте тепловую мощность 120 кВт, нужно обеспечить указанную в инструкции разность температур и значения скоростей протока жидкостей в контурах изделия. Не допускается применять теплообменник для подогрева морской воды, а также использовать в бассейнах, оснащенных дезинфицирующей установкой ‒ электролизером.
Сведения о комплектности
В стандартный комплект изделия входят:
- Теплообменник 120 кВт.
- Крепеж: два хомута и кронштейн.
- Паспорт устройства.
