Установка XENOZONE УФУ-10 для обеззараживающей обработки питьевой и оборотной воды бассейнов имеет производительность 10 м3/час (при минимальной дозе облучения 16 мДж/см2) и предназначена для нейтрализации возбудителей инфекционных болезней бактериального и вирусного происхождения. Результатом применения этого является получение воды, абсолютно безопасной в эпидемиологическом отношении.
Данной установки достаточно для проточного обеззараживания питьевой воды с расходом до 5-8 м3/час (доза облучения 25-40 мДж/см2) или обработки бассейнов с объемом чаши до 48 м3*.
* Рекомендованный объем бассейна указан при условии: 1) одной фильтрационной линии 2) время полного водообмена - 6 часов 3) доза обеззараживания - не менее 25 мДж/см2
Если ваши задачи требуют бОльших расходов воды, то следует рассмотреть более мощные модели с амальгамными УФ-лампами. В ассортименте имеются установки уф очистки воды производительностью до 500 м3/час и более.
Выполненный из нержавеющей стали марки AISI-304 корпус установки оснащен расположенной внутри его рабочей камеры системой перегородок с отверстиями, обеспечивающими оптимальный режим протока и обработки воды УФ-излучением.
Расходным, то есть подлежащим периодической замене элементом установок обеззараживания воды линейки УФУ являются ультрафиолетовые лампы LUV 55 T8 /TUV 55. Их технический ресурс составляет около 12 месяцев (9000 часов в режиме непрерывного использования).
Комплект поставки
В комплект поставки установок обеззараживания Ксенозон входят:
- Камера обеззараживания – 1 шт.
- Блок управления – 1 шт.
- Кольцевое резиновое уплотнение 38х3,6 – 2 шт.
- Лампа 55 Вт – 1 шт.
- Кварцевый чехол для УФ-ламп 55 Вт – 1 шт.
- ЭПРА 55 Вт – 1 шт.
- Центрирующее кольцо – 2 шт.
- Концевое соединение ламп (ПВХ) – 2 шт.
Основные технические и эксплуатационные характеристики установки УФУ-10
- Потребляемая электрическая мощность: 60 Вт
- Количество УФ-ламп: 1 шт.
- Мощность UV-C излучения: 21 Вт
- Срок службы лампы: 9 000 ч
- Температура обрабатываемой воды: от +5°C до +45°C
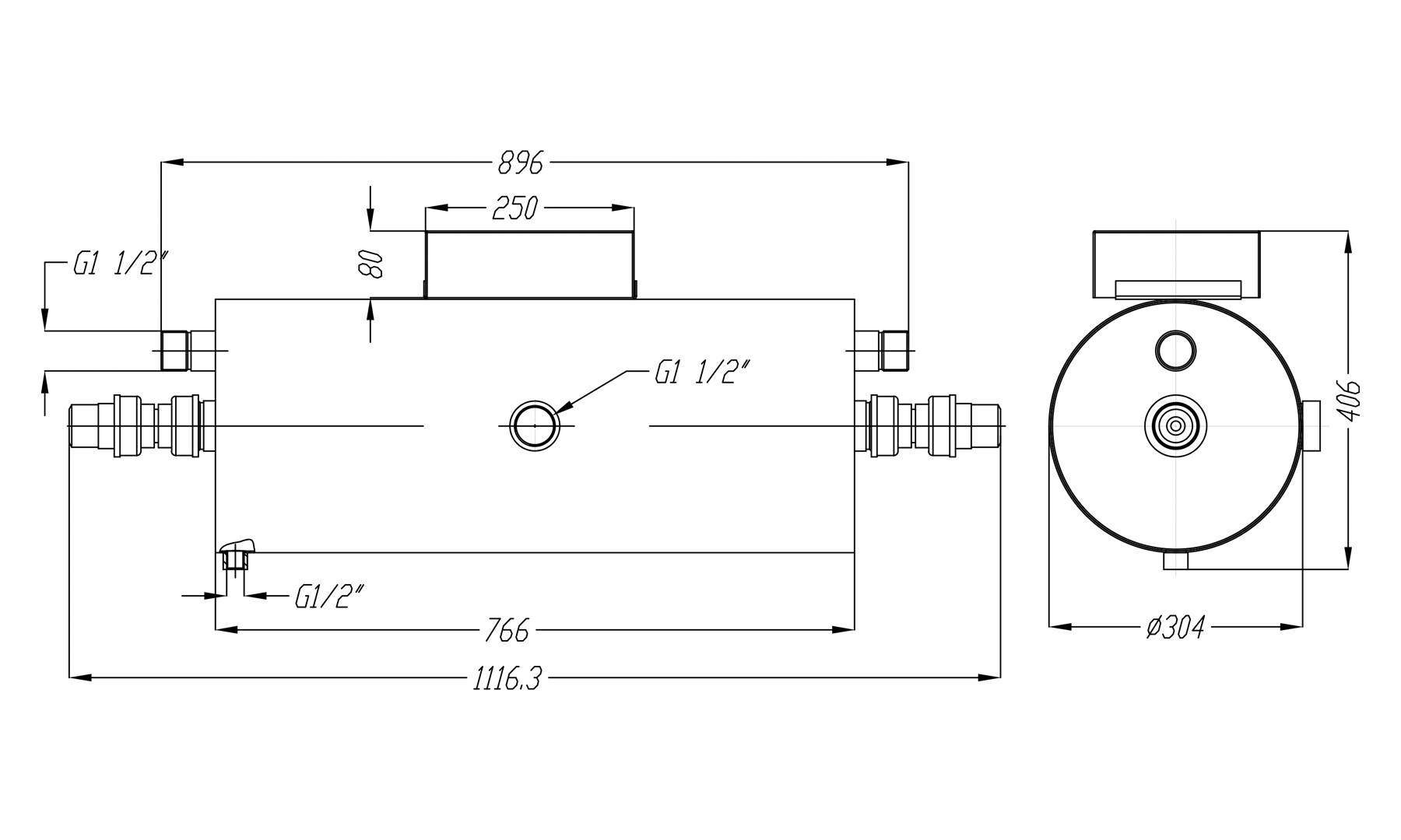
- Габариты камеры обеззараживания: d304х766 мм
- Габариты блока управления (ВхШхГ): 90х240х160 мм
- Присоединение: G1 ½” (наружная резьба)
- Материал камеры обеззараживания: нержавеющая сталь AISI-304
- Максимальное рабочее давление воды: 6 атм.
По индивидуальному заказу покупателя корпусные элементы установки могут быть изготовлены из более стойкой к коррозии нержавеющей стали марки AISI-316.
При подборе установок УФ очистки воды следует учитывать, что производительность одной и той же установки зависит от требуемой дозы облучения (в мДж/см2), а также от коэффициента пропускания ультрафиолета водной средой. Для подбора установки рекомендуем воспользоваться нашим онлайн-калькулятором или связаться со специалистами отдела продаж в WhatsApp.
| Доза облучения | Расход воды через УФ-установку, м3/час | ||
|
Пропускание УФ-излучения 90% |
Пропускание УФ-излучения 85% |
Пропускание УФ-излучения 70% |
|
| 16 мДж/см2 | 10* | 10 | 6 |
| 25 мДж/см2 | 8 | 6 | 4 |
| 40 мДж/см2 | 5 | 4 | 2 |
На пропускание УФ-излучения сильнее всего влияет цветность и мутность воды и содержание в ней железа.
Жесткость, хлориды, сульфаты, аммиак, нитриты и нитраты в обычных концентрациях почти не влияют на этот показатель.
Требования к техническому помещению и условиям эксплуатации
При монтаже установок УФУ требуется предусмотреть необходимое для их обслуживания свободное пространство - не менее 1 метра с одной из сторон корпуса.
Внимание: данное оборудование не предназначено для работы в бассейнах с установленными электролизерами или для обеззараживания морской воды.
