Ультрафиолетовые установки ТМ Xenozone модельного ряда УФУ.20.УЗ разработаны и применяются для дезинфекции воды, используемой на различных объектах водопользования — от локальных сетей коммунального водоснабжения до бассейнов, аквапарков и систем очистки сточных вод. Обработка УФ излучением с длиной волны 254 нм (бактерицидная область спектра) позволяет получать безопасную в эпидемиологическом плане воду, не содержащую в себе болезнетворные вирусы и бактерии.
Особенности конструкции
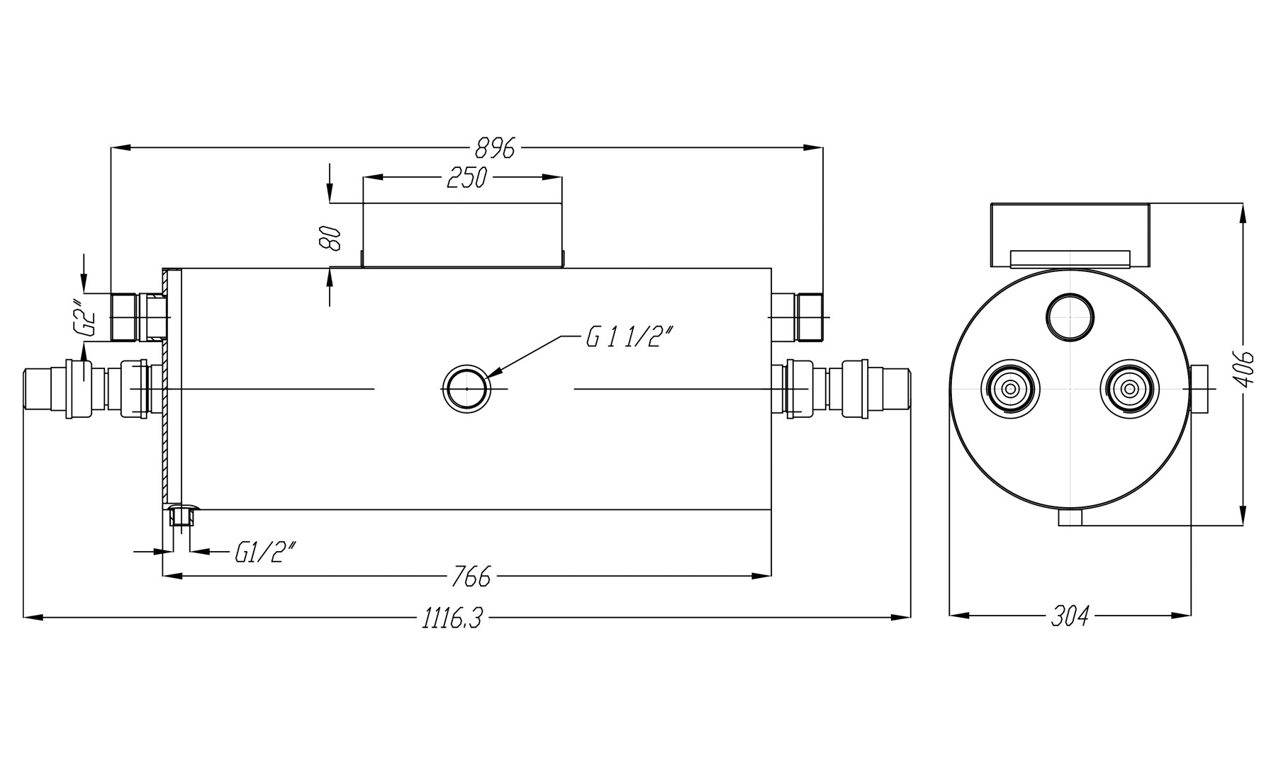
Материалом, из которого изготавливаются корпуса установок линейки УФУ.20.УЗ, является качественная нержавеющая сталь марки AISI 304. Чтобы обработка воды ультрафиолетом происходила с максимальной эффективностью, корпус оснащен системой внутренних перегородок и выполненных в них отверстий. Эти элементы конструкции гарантируют равномерный проток и необходимое время пребывания воды в зоне контакта с УФ излучателем.
Необходимое для подавления жизнедеятельности вирусов и бактерий УФ излучение обеспечивается при помощи ртутных ламп низкого давления. Чтобы контролировать фактически отработанное лампами время и вовремя произвести замену отработавших свой ресурс экземпляров, установки оборудованы специальными счетчиками наработки.
В процессе эксплуатации данного вида оборудования важно не допускать снижения прозрачности кварцевых защитных чехлов ламп из-за отложения на них минеральных солей и других загрязнений – это приводит к снижению пропускания ими бактерицидного излучения и как следствие – снижению эффективности обработки. В данной серии ультрафиолетовых установок для этой цели установлены ультразвуковые преобразователи, предупреждающие образование налета за счет воздействия акустических колебаний.
Владельцы систем обеззараживания воды ультрафиолетом должны помнить, что применяемые в них ртутные бактерицидные лампы имеют ограниченный ресурс работы, в связи с чем их приходится периодически менять. Установки УФУ.20.УЗ комплектуются двумя 60-ваттными ультрафиолетовыми лампами низкого давления, срок эксплуатации которых нормирован в пределах 9000 часов (примерно одного года непрерывной работы).
Комплект поставки
В комплект поставки установок модельного ряда УФУ с ультразвуком входят следующие элементы конструкции и аксессуары:
- Камера обеззараживания – 1 шт.
- Блок управления – 1 шт.
- Кольцевое резиновое уплотнение 38х3,6 – 4 шт.
- Лампа 55 Вт – 2 шт.
- Кварцевый чехол для УФ-ламп 55 Вт – 2 шт.
- ЭПРА 55 Вт – 2 шт.
- Центрирующее кольцо – 4 шт.
- Концевое соединение ламп (ПВХ) – 4 шт.
- Комплект УЗ-очистки (источник питания, головка УЗ) – 1 шт.
Основные технические данные:
- Электрическая мощность установки: не более 120 Вт
- Количество УФ-ламп: 2 шт.
- Суммарная мощность излучения в UV-диапазоне: 42 Вт
- Срок службы лампы: 9 000 ч
- Температурный диапазон обрабатываемой воды: от +5°C до +45°C
- Габаритные размеры камеры обеззараживания: D304 х 766 мм
- Габариты блока управления (ВхШхГ): 90х240х160 мм
- Резьбовое присоединение: G2''
- Материал камеры обеззараживания: нержавеющая сталь AISI-304
- Максимальное рабочее давление воды: 6 атм.
По желанию заказчиков наша компания может изготовить корпуса установок из нержавеющей стали AISI-316, а также изменять под требуемые значения диаметр фланцев и их присоединительные размеры.
При подборе установок УФ очистки воды следует учитывать, что производительность одной и той же установки зависит от требуемой дозы облучения (в мДж/см2), а также от коэффициента пропускания ультрафиолета водной средой. Для подбора установки рекомендуем воспользоваться нашим онлайн-калькулятором или написать специалистам отдела продаж в WhatsApp.
Производительность указана с учетом спада интенсивности излучения УФ-ламп в конце срока службы, а также коэффициента, учитывающего загрязнение кварцевых чехлов в процессе эксплуатации.
| Доза облучения | Расход воды через УФ-установку, м3/час | ||
|
Пропускание УФ-излучения 90% |
Пропускание УФ-излучения 85% |
Пропускание УФ-излучения 70% |
|
| 16 мДж/см2 | 20* | 20* | 14 |
| 25 мДж/см2 | 19 | 14 | 9 |
| 40 мДж/см2 | 12 | 9 | 5 |
На пропускание УФ-излучения сильнее всего влияет цветность и мутность воды и содержание в ней железа. Жесткость, хлориды, сульфаты, аммиак, нитриты и нитраты в обычных концентрациях почти не влияют на этот показатель.
