Установка XENOZONE УФУ-250 одна из самых мощных моделей ультрафиолетового оборудования нашего производства. Она предназначена для обеззараживания питьевой воды и бассейнов, имеет производительность 250 м3/час (при минимальной дозе облучения 16 мДж/см2) и применяется для нейтрализации возбудителей инфекционных болезней бактериального и вирусного происхождения. Результатом ее работы является получение воды, абсолютно безопасной в эпидемиологическом отношении.
Данной установки достаточно для проточного обеззараживания питьевой воды с расходом до 145-230 м3/час (доза облучения 25-40 мДж/см2) или обработки больших бассейнов и аквапарков. Если ваши задачи требуют меньших расходов воды, то следует рассмотреть менее мощные модели. В ассортименте имеются установки уф очистки воды производительностью от 6 м3/час.
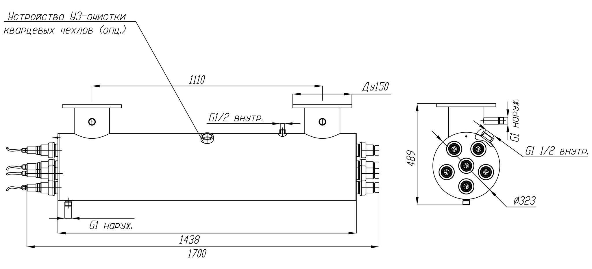
Выполненный из нержавеющей стали марки AISI-304 корпус установки оснащен расположенной внутри его рабочей камеры системой перегородок с отверстиями, обеспечивающими оптимальный режим протока и обработки воды УФ-излучением.
Расходным, то есть подлежащим периодической замене элементом установок обеззараживания воды линейки УФУ являются ультрафиолетовые лампы ДБ-300. Их технический ресурс составляет около 1,4 года (12000 часов в режиме непрерывного использования).
Комплект поставки
В комплект поставки УФ системы Ксенозон входят:
- Камера обеззараживания – 1 шт.
- Шкаф управления – 1 шт.
- Кольцевое резиновое уплотнение 38х4 – 12 шт.
- Лампа ДБ-300 – 6 шт.
- Кварцевый чехол для УФ-ламп ДБ-300 – 6 шт.
- ЭПРА 300 Вт – 6 шт.
- Центрирующее кольцо – 12 шт.
- Патрон керамический для УФ-ламп ДБ-300 – 6 шт.
- Концевое соединение ламп: крышка (2 шт.), гайка, втулка, заглушка – 6 шт.
- Датчик температуры – 1 шт.
Вы можете доукомлектовать генератором ультразвука ранее приобретенные установки базовой комплектации. Его монтаж и запуск в работу просты – достаточно установить головку ультразвука в предусмотренное для этого на корпусе УФ-установки посадочное отверстие и подключить источник питания генератора к сети. Перенастройка основного шкафа питания УФ-установки не потребуется.
Основные технические и эксплуатационные характеристики установки УФУ-250
- Потребляемая электрическая мощность: 1800 Вт
- Количество УФ-ламп: 6 шт.
- Мощность UV-C излучения: 540 Вт
- Срок службы лампы: 12 000 ч
- Температура обрабатываемой воды: от +5°C до +45°C.
- Габариты камеры обеззараживания: d323х1438 мм.
- Габариты шкафа управления (ВхШхГ): 600х600х250 мм.
- Подсоединение фланцев: П (U) - исполнение
- Присоединение: фланец Ду150
- Материал камеры обеззараживания: нержавеющая сталь AISI-304
- Максимальное рабочее давление воды: 6 атм.
По индивидуальному заказу покупателя корпусные элементы установки могут быть изготовлены из более стойкой к коррозии нержавеющей стали марки AISI-316. Кроме того, по просьбе заказчика мы можем изменить диаметр и расположение присоединительных трубных фланцев. Для клиентов, предпочитающих автоматизированные решения, мы можем поставить установку УФУ с блоком ультразвуковой очистки или химической промывки кварцевых чехлов.
При подборе установок УФ очистки воды следует учитывать, что производительность одной и той же установки зависит от требуемой дозы облучения (в мДж/см2), а также от коэффициента пропускания ультрафиолета водной средой. Для подбора установки рекомендуем воспользоваться нашим онлайн-калькулятором или связаться со специалистами отдела продаж в WhatsApp.
| Доза облучения | Расход воды через УФ-установку, м3/час | ||
| Пропускание УФ-излучения 90% | Пропускание УФ-излучения 85% | Пропускание УФ-излучения 70% | |
| 16 мДж/см2 | 250* | 250* | 163 | 
| 25 мДж/см2 | 232 | 174 | 104 | 
| 40 мДж/см2 | 145 | 109 | 65 | 
На пропускание УФ-излучения сильнее всего влияет цветность и мутность воды и содержание в ней железа.
Жесткость, хлориды, сульфаты, аммиак, нитриты и нитраты в обычных концентрациях почти не влияют на этот показатель.
Требования к техническому помещению и условиям эксплуатации
При монтаже установок УФУ.250 требуется предусмотреть необходимое для их обслуживания свободное пространство - не менее 2 метров с одной из сторон корпуса.
Внимание: данное оборудование не предназначено для работы в бассейнах с установленными электролизерами или для обеззараживания морской воды.
 
      