Данная модель установки обеззараживания воды ультрафиолетом поставляется в комплекте с блоком химической промывки кварцевых чехлов УФ излучателей, что выгодно отличает ее от установок очистки воды в базовой комплектации. Еще одним важным элементом модели УФУ.250.БП является датчик контроля интенсивности излучения УФ ламп. Датчик откалиброван на УФ-излучение 254 нм и позволяет отслеживать спад его интенсивности из-за загрязнения кварцевых чехлов, чтобы своевременно запускать химическую очистку чехлов.
Контроль срока службы и замена ультрафиолетовых ламп, полностью выработавших свой технический ресурс, осуществляется с помощью счетчика времени работы УФ-ламп и сигнализацией на шкафе управления.
Максимальная производительность установки составляет 250 кубических метров воды в час. Фактическая производительность установки зависит от качества исходной воды и требуемой дозы обеззараживания – см. данные в таблице.
Производительность указана с учетом спада интенсивности излучения УФ-ламп в конце срока службы, а также коэффициента, учитывающего загрязнение кварцевых чехлов в процессе эксплуатации.
| Доза облучения | Расход воды через УФ-установку, м3/час | ||
|
Пропускание УФ-излучения 90% |
Пропускание УФ-излучения 85% |
Пропускание УФ-излучения 70% |
|
| 16 мДж/см2 | 250* | 250* | 163 |
| 25 мДж/см2 | 232 | 174 | 104 |
| 40 мДж/см2 | 145 | 109 | 65 |
На пропускание УФ-излучения сильнее всего влияет цветность и мутность воды и содержание в ней железа. Жесткость, хлориды, сульфаты, аммиак, нитриты и нитраты в обычных концентрациях почти не влияют на этот показатель.
Назначение
Ультрафиолетовая установка модели УФУ.250.БП разработана и применяется с целью дезинфекции оборотных вод бассейнов, аквапарков и других замкнутых систем водопользования, а также проточной воды на выходе устройств водоподготовки на объектах коммунального хозяйства и пищевой промышленности.
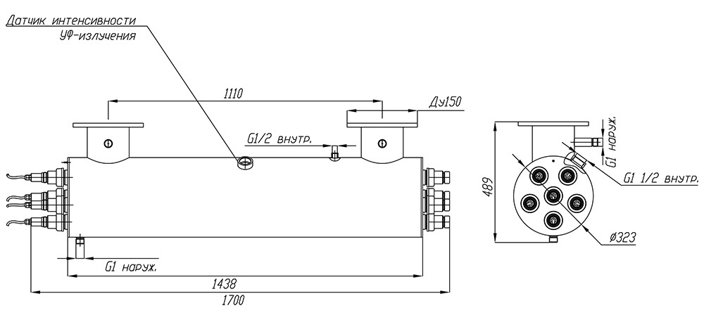
Конструктивно основой установки УФ дезинфекции воды арт. УФУ.250.БП является изготовленный из высококачественной нержавеющей стали марки AISI-304 корпус камеры обеззараживания, на котором смонтированы комплектующие системы.
Владельцам УФ систем обеззараживания воды следует помнить, что применяемые в них ультрафиолетовые лампы являются расходным элементом и подлежат периодической замене. В модели УФУ.250.БП применяются шесть 300-ваттных амальгамных УФ-ламп низкого давления, нормированный срок службы которых составляет 12000 часов.
Комплект поставки
В состав поставляемых установок УФУ с блоком промывки входят:
- Камера обеззараживания – 1 шт.
- Шкаф управления – 1 шт.
- Блок промывки – 1 шт.
- Датчик УФ-излучения ДИУФ – 1 шт.
- Кольцевое резиновое уплотнение 38х4 – 12 шт.
- Лампа ДБ-300 – 6 шт.
- Кварцевый чехол для УФ-ламп ДБ-300 – 6 шт.
- ЭПРА 300 Вт – 6 шт.
- Центрирующее кольцо – 12 шт.
- Патрон керамический для УФ-ламп ДБ300 – 6 шт.
- Концевое соединение ламп: крышка (2 шт.), гайка, втулка, заглушка – 6 шт.
- Датчик температуры – 1 шт.
Основные технические данные:
- Потребляемая электрическая мощность: 1800 Вт
- Количество УФ-ламп: 6 шт.
- Мощность UV-C излучения: 540 Вт
- Срок службы лампы: 12 000 ч
- Температура обрабатываемой воды: от +5°C до +45°C
- Габариты камеры обеззараживания: d323х1438 мм
- Габариты блока управления (ВхШхГ): 600х600х250 мм
- Присоединение: фланец Ду150
- Подсоединение фланцев: П (U) - исполнение
- Материал камеры обеззараживания установки: нерж. сталь марки AISI-304.
- Максимальное рабочее давление воды: 6 атм.
По индивидуальному решению заказчика наша компания готова изготовить корпусные элементы из стали AISI-316, а также обеспечить любые нужные клиенту присоединительные размеры установки.
Требования к техническому помещению и условиям эксплуатации
При монтаже установок УФУ требуется предусмотреть необходимое для их обслуживания свободное пространство - не менее 2 метров с одной из сторон корпуса.
Внимание: данное оборудование не предназначено для работы в бассейнах с установленными электролизерами или для обеззараживания морской воды.
