Ультрафиолетовые установки Xenozone модельного ряда УФУ.500.УЗ имеют максимальную мощность. Они используются на различных объектах водопользования — от локальных сетей коммунального водоснабжения до бассейнов, аквапарков и систем очистки сточных вод. Обработка воды УФ излучением с длиной волны 254 нм (бактерицидная область спектра) позволяет получать безопасную в эпидемиологическом плане воду, не содержащую в себе болезнетворные вирусы и бактерии.
Особенности конструкции
Материалом, из которого изготавливаются корпус установки серии УФУ.500.УЗ, является качественная нержавеющая сталь марки AISI 304. Чтобы обработка воды ультрафиолетом происходила с максимальной эффективностью, корпус оснащен системой внутренних перегородок и выполненных в них отверстий. Эти элементы конструкции гарантируют равномерный проток и необходимое время пребывания воды в зоне контакта с УФ излучателем.
Необходимое для подавления жизнедеятельности вирусов и бактерий УФ излучение обеспечивается при помощи ртутных ламп низкого давления. Чтобы контролировать фактически отработанное лампами время и вовремя произвести замену отработавших свой ресурс экземпляров, установки оборудованы специальными счетчиками наработки.
В процессе эксплуатации УФ оборудования обработки воды важно не допускать снижения прозрачности кварцевых защитных чехлов ламп из-за отложения на них минеральных солей и других загрязнений – это приводит к снижению пропускания ими бактерицидного излучения и как следствие – снижению эффективности обработки. В данной серии ультрафиолетовых систем очистки воды для этой цели установлены ультразвуковые преобразователи, предупреждающие образование налета за счет воздействия акустических колебаний.
Владельцы УФ систем обеззараживания воды должны помнить, что применяемые в них ртутные бактерицидные лампы имеют ограниченный ресурс работы, в связи с чем их приходится периодически менять. Установки УФУ.500.УЗ комплектуются шестью 500-ваттными амальгамными ультрафиолетовыми лампами низкого давления ДБ-500, срок эксплуатации которых нормирован в пределах 12000 часов (примерно 1,4 года непрерывной работы).
Комплект поставки
В комплект поставки установок серии УФУ с ультразвуком входят следующие элементы конструкции и аксессуары:
- Камера обеззараживания – 1 шт.
- Шкаф управления – 1 шт.
- Кольцевое резиновое уплотнение 40х4 – 12 шт.
- Лампа ДБ500-2 – 6 шт.
- Кварцевый чехол для УФ-ламп ДБ500-2 – 6 шт.
- ЭПРА 500 Вт – 6 шт.
- Центрирующее кольцо – 6 шт.
- Цилиндрический центратор – 6 шт.
- Патрон керамический для УФ-ламп ДБ500-2 – 6 шт.
- Концевое соединение ламп: крышка (2 шт.), гайка, втулка, заглушка – 6 шт.
- Датчик температуры – 1 шт.
Основные технические данные:
- Электрическая мощность установки: не более 2700 Вт
- Количество УФ-ламп: 6 шт.
- Суммарная мощность излучения в UV-диапазоне: 945 Вт
- Срок службы лампы: 12 000 ч
- Температурный диапазон обрабатываемой воды: от +5°C до +45°C
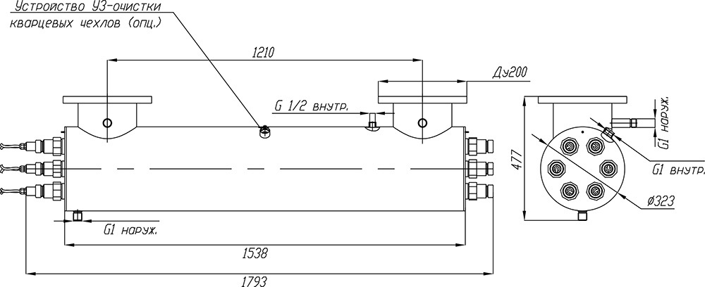
- Габаритные размеры камеры обеззараживания: D323 х 1538 мм
- Габариты шкафа управления (ВхШхГ): 600х600х200 мм
- Подсоединение фланцев: П (U) – исполнение
- Присоединение: фланец Ду200 (труба 225)
- Материал камеры обеззараживания: нержавеющая сталь AISI-304
- Максимальное рабочее давление воды: 6 атм.
По желанию заказчиков наша компания может изготовить корпуса установок из нержавеющей стали AISI-316, а также изменять под требуемые значения диаметр фланцев и их присоединительные размеры.
При подборе установок УФ обезараживания воды следует учитывать, что производительность одной и той же установки зависит от требуемой дозы облучения (в мДж/см2), а также от коэффициента пропускания ультрафиолета водной средой. Для подбора установки рекомендуем воспользоваться нашим онлайн-калькулятором или написать специалистам отдела продаж в WhatsApp. 
Производительность указана с учетом спада интенсивности излучения УФ-ламп в конце срока службы, а также коэффициента, учитывающего загрязнение кварцевых чехлов в процессе эксплуатации.
| Доза облучения | Расход воды через УФ-установку, м3/час | ||
| Пропускание УФ-излучения 90% | Пропускание УФ-излучения 85% | Пропускание УФ-излучения 70% | |
| 16 мДж/см2 | 500* | 496 | 278 | 
| 25 мДж/см2 | 423 | 317 | 178 | 
| 40 мДж/см2 | 264 | 198 | 111 | 
На пропускание УФ-излучения сильнее всего влияет цветность и мутность воды и содержание в ней железа. Жесткость, хлориды, сульфаты, аммиак, нитриты и нитраты в обычных концентрациях почти не влияют на этот показатель.
 
      