Разработанные специалистами нашей компании установки обработки воды модели UVM-1000 имеют производительность 50 м3/час и предназначены для частных и общественных плавательных бассейнов, в которых используется хлор. За счет применения в этих установках широкодиапазонных ультрафиолетовых ламп среднего давления, кроме уничтожения вирусов и бактерий, они способны снижать концентрацию содержащегося в воде связанного хлора (соединений группы хлораминов).
Установлено, что ультрафиолетовое излучение с длиной волны в диапазоне 300-400 нм эффективно для разрушения хлораминов. С этой задачей успешно справляются лампы среднего давления, излучающие УФ в спектре 200-400 нм. Лампы низкого давления, 95% излучения которых приходится на узкую часть диапазона с длиной волны 253,7 нанометров, имеют существенно меньшую эффективность при воздействии на хлорамины.
Именно способность комплексно воздействовать на обрабатываемую воду, одновременно с обеззараживанием разрушая соединения связанного хлора, выгодно отличает установки UVM-1000 от моделей на основе ламп низкого давления (подробнее в нашей статье). Установки с лампами среднего давления способны обеспечить уровень содержания в воде общественных бассейнов хлораминов до 0,2 мг/л – значения, регламентированного действующими санитарными правилами (СП 2.1.3678-20).
Расходный элемент
- Ртутная лампа среднего давления 1000 Вт - 1 шт.
Средний срок службы УФ-ламп – 10 000 часов, гарантированный срок службы – 5 000 часов.
Особенности конструкции
Все корпусные детали установки UVM-1000 выполнены из нержавеющей стали марки AISI 316, более стойкой к агрессивным воздействиям по сравнению с наиболее широко применяемой в бассейнах AISI-304. Установленная внутри корпуса лампа среднего давления при скорости протока воды, соответствующей паспортной производительности установки, обеспечивает необходимую для снижения концентрации хлораминов дозу облучения не менее 60 мДж/см2.
С целью контроля возможного снижения интенсивности излучения ламп, связанного с постепенным загрязнением поверхности их защитных кварцевых чехлов, оборудование оснащено системой соответствующих датчиков. Её наличие позволяет персоналу бассейна вовремя принять решение об очистке загрязненной поверхности или замене отслуживших ламп.
Для автоматизации процедуры удаления налета минеральных отложений с кварцевых чехлов УФ ламп установки модели UVM-1000 поставляются с устройством химической промывки. Этот вариант комплектации гарантирует существенное снижение потерь времени и трудозатрат персонала, обслуживающего общественные бассейны.
Важным преимуществом конструкции УФ установок данной серии являются компактные габариты, связанные с небольшими размерами применяемых в них ламп среднего давления. Эта особенность позволяет без проблем вписать установку UVM-1000 практически в любое сервисное помещение, а также снижает риски повреждения чехлов/ламп при их замене.
Кроме того, высокая мощность и плотность УФ-излучения ламп среднего давления уменьшает количество ламп, необходимых для обеспечения заданной мощности. В результате установка XENOZONE UVM содержит всего одну лампу, что в отличие от многоламповых конструкций установок с лампами низкого давления, существенно сокращает трудоемкость и затраты времени при замене ламп.
Комплект поставки
В состав поставки установок модели UVM-1000 входят следующие узлы и комплектующие:
- УФ-реактор - 1 шт.
- Шкаф питания со счетчиком наработки времени - 1 шт.
- Датчик протока - 1 шт.
- Датчик температуры - 1 шт.
- Блок химической промывки УФ камеры - 1 шт.
- Щавелевая кислота, 1 кг - 1 шт.
- Система измерения интенсивности УФ-излучения - 1 шт.
- Кронштейн с крепежом для монтажа на стену - 2 шт.
- Фланец ответная часть Ду150 (ПВХ) - 2 шт.
- Паспорт и руководство по эксплуатации УФ-установки - 1 шт.
- Упаковка (деревянная тара) - 1 шт.
Основные технические характеристики:
- Производительность (объем воды, обрабатываемый за единицу времени): 50 м3/час
- Доза ультрафиолетового облучения: 60 мДж/см2
- Общая электрическая мощность установки: 1000 Вт
- Количество и тип установленных ламп: 1 шт., ртутная, среднего давления
- Средний срок службы ламп: 10 000 часов
- Температурный диапазон обработки воды: от +5°C до +45°C
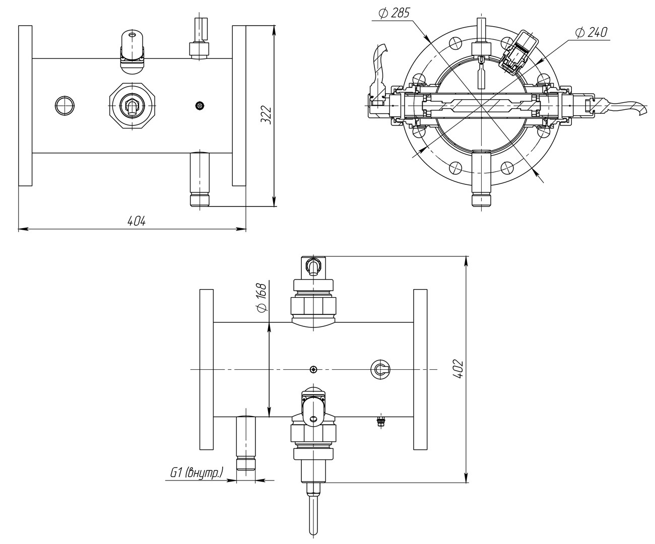
- Материал и габариты корпуса установки: сталь AISI-316, 404х402х322 мм
- Габариты блока управления: 600х400х200 мм
- Присоединение к трубопроводу: фланец Ду150 (труба 160)
- Максимальное давление воды: до 6 атм.
Условия эксплуатации и требования к техническому помещению
УФ установки модельного ряда UVM не предназначены для использования в бассейнах и аквапарках с морской водой и установленными электролизерами. Их монтаж, подключение и обслуживание следует производить в строгом соответствии с требованиями, изложенными в техническом паспорте изделия.
 
      