Ультрафиолетовая установка обработки и обеззараживания воды UVM-3000 имеет производительность 200 м3/час и предназначена для больших общественных бассейнов и аквапарков, где используется хлор. За счет применения в этих установках широкодиапазонных уф ламп среднего давления, кроме уничтожения вирусов и бактерий, они способны снижать концентрацию содержащегося в воде связанного хлора (соединений группы хлораминов).
Установлено, что ультрафиолетовое излучение с длиной волны в диапазоне 300-400 нм эффективно для разрушения хлораминов. С этой задачей успешно справляются лампы среднего давления, излучающие УФ в спектре 200-400 нм. Лампы низкого давления, 95% излучения которых приходится на узкую часть диапазона с длиной волны 253,7 нанометров, имеют существенно меньшую эффективность при воздействии на хлорамины.
Именно способность комплексно воздействовать на обрабатываемую воду, одновременно с обеззараживанием разрушая соединения связанного хлора, выгодно отличает установки UVM-3000 от моделей на основе ламп низкого давления. Установки с лампами среднего давления способны обеспечить уровень содержания в воде общественных бассейнов хлораминов до 0,2 мг/л – значения, регламентированного действующими СанПиН 2.1.3678-20.
Расходный элемент
- Ртутная лампа среднего давления 3000 Вт - 1 шт.
Средний срок службы ламп – 10 000 часов, гарантированный срок службы – 5 000 часов.
Особенности конструкции
Все корпусные детали установки UVM-3000 выполнены из нержавеющей стали марки AISI 316, более стойкой к агрессивным воздействиям по сравнению с наиболее широко применяемой в бассейнах AISI-304. Установленная внутри корпуса лампа среднего давления при скорости протока воды, соответствующей паспортной производительности установки, обеспечивает необходимую для снижения концентрации хлораминов дозу облучения не менее 60 мДж/см2.
С целью контроля возможного снижения интенсивности эффективного излучения ламп, связанного с постепенным загрязнением поверхности их защитных кварцевых чехлов, установка оснащена системой соответствующих датчиков. Её наличие позволяет персоналу бассейна вовремя принять решение об очистке загрязненной поверхности или замене отслуживших ламп.
Для автоматизации процедуры удаления с кварцевых чехлов УФ ламп налета минеральных отложений установки модели UVM-3000 поставляются с устройством химической промывки. Этот вариант комплектации гарантирует существенное снижение потерь времени и трудозатрат персонала, обслуживающего общественные бассейны.
Важным преимуществом конструкции УФ установок данного модельного ряда являются компактные габариты, связанные с небольшими размерами применяемых в них ламп среднего давления. Эта особенность позволяет без проблем вписать установку UVM-3000 практически в любое сервисное помещение, а также снижает риски повреждения чехлов/ламп при их замене.
Кроме того, высокая мощность и плотность УФ-излучения ламп среднего давления уменьшает количество ламп, необходимых для обеспечения заданной мощности. В результате установка XENOZONE UVM содержит всего одну лампу, что в отличие от многоламповых конструкций установок с лампами низкого давления, существенно сокращает трудоемкость и затраты времени при замене ламп.
Комплект поставки
В состав поставки установок модели UVM-3000 входят следующие узлы и комплектующие:
- УФ-реактор - 1 шт.
- Шкаф питания со счетчиком наработки времени - 1 шт.
- Датчик протока - 1 шт.
- Датчик температуры - 1 шт.
- Блок химической промывки УФ камеры - 1 шт.
- Щавелевая кислота, 1 кг - 1 шт.
- Система измерения интенсивности УФ-излучения - 1 шт.
- Кронштейн с крепежом для монтажа на стену - 1 шт.
- Фланец ответная часть Ду300 (ПВХ) - 2 шт.
- Паспорт и руководство по эксплуатации УФ-установки - 1 шт.
- Упаковка (деревянная тара) - 1 шт.
Основные технические характеристики:
- Производительность (объем воды, обрабатываемый за единицу времени): 200 м3/час
- Доза ультрафиолетового облучения: 60 мДж/см2
- Общая электрическая мощность установки: 3000 Вт
- Количество и тип установленных ламп: 1 шт., ртутная, среднего давления
- Средний срок службы ламп: 10 000 часов
- Температурный диапазон обработки воды: от +5°C до +45°C
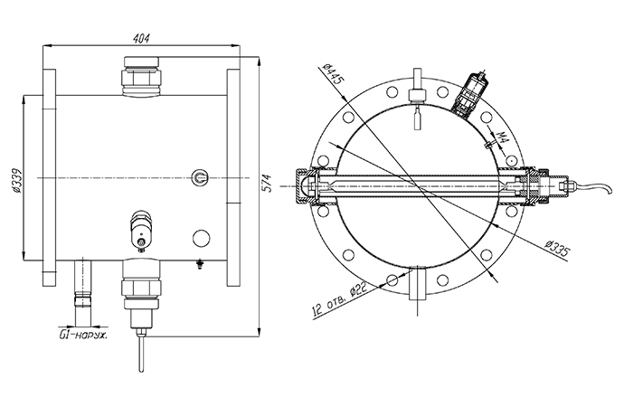
- Материал и габариты корпуса установки: сталь AISI-316, 404х574х475 мм
- Габариты блока управления: 600х400х200 мм
- Присоединение к трубопроводу: фланец Ду300 (труба 315)
- Максимальное давление воды: до 6 атм.
Условия эксплуатации и требования к техническому помещению
УФ установки модельного ряда UVM не предназначены для использования в бассейнах и аквапарках с морской водой и установленными электролизерами. Их монтаж, подключение и обслуживание следует производить в строгом соответствии с требованиями, изложенными в техническом паспорте изделия.
 
      