Описание
    
  
      
      
      
        
  
    
    
        Отзывы
        
    
    
  
      
      
        
      
    
    
    Описание
    
  
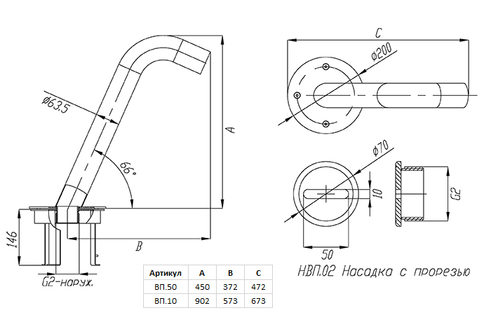
        Водяная пушка ВП.50 устанавливается на борт бассейна для формирования направленной струи воды с мощным эффектом гидромассажа.
Благодаря способности энергично массировать тело человека направленной струей воды высокой интенсивности, водяные пушки пользуются популярностью и часто устанавливаются в общественных бассейнах оздоровительного назначения, СПА центрах и аквапарках.
Кроме функции гидромассажа, эти устройства дополнительно обеспечивают насыщение воды кислородом и способствуют ее более интенсивному перемешиванию для исключения застойных зон в бассейне.
Основные технические данные
- Рекомендуемый расход воды: 20 м3/час
- Материал: нержавеющая сталь AISI 304
- Присоединение: 2'', наружная резьба
- Габариты корпуса (ВхГ): 450х472 мм
- Глубина заделки встраиваемой детали: 146 мм
- Угол наклона излива: 66°
- Место установки: борт бассейна, обычно сзади или над решеткой перелива
Эти и другие характеристики водяной пушки приведены в техническом паспорте, с которым можно ознакомиться на соответствующей странице документации сайта.
    
    
        Отзывы
        
    
    
  
        Отзывов еще никто не оставлял
                
              Обратная связь
  
  
Преимущества
  
          Широкий ассортимент
        
        Мы привозим широкий ассортимент спа-бассейнов различных торговых марок.
        
          Скорость доставки
        
        Самая быстрая доставка и лучший сервис по установке и подключению спа-бассейна.
        
          Контроль качества
        
        Мы привозим только те бассейны, в которых уверены на все 100%. На складе всегда есть запасные части для осуществления ремонта или замены, чтобы обеспечить бесперебойное использование круглый год.
         
      