Водяная пушка ВП.50/1 устанавливается на борт бассейна для формирования направленной струи воды с мощным эффектом гидромассажа.
Благодаря способности энергично массировать тело человека направленной струей воды высокой интенсивности, водяные пушки из нержавеющей стали AISI-316 пользуются популярностью и часто устанавливаются в общественных бассейнах оздоровительного назначения, СПА центрах и аквапарках.
Кроме функции гидромассажа, эти устройства дополнительно обеспечивают насыщение воды кислородом и способствуют ее более интенсивному перемешиванию для исключения застойных зон в бассейне.
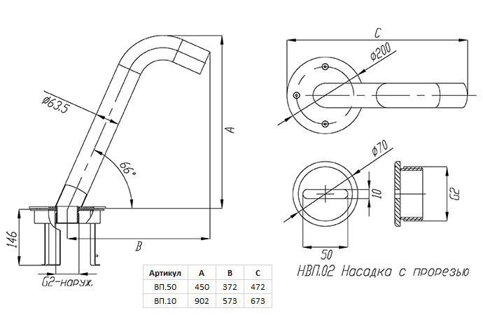
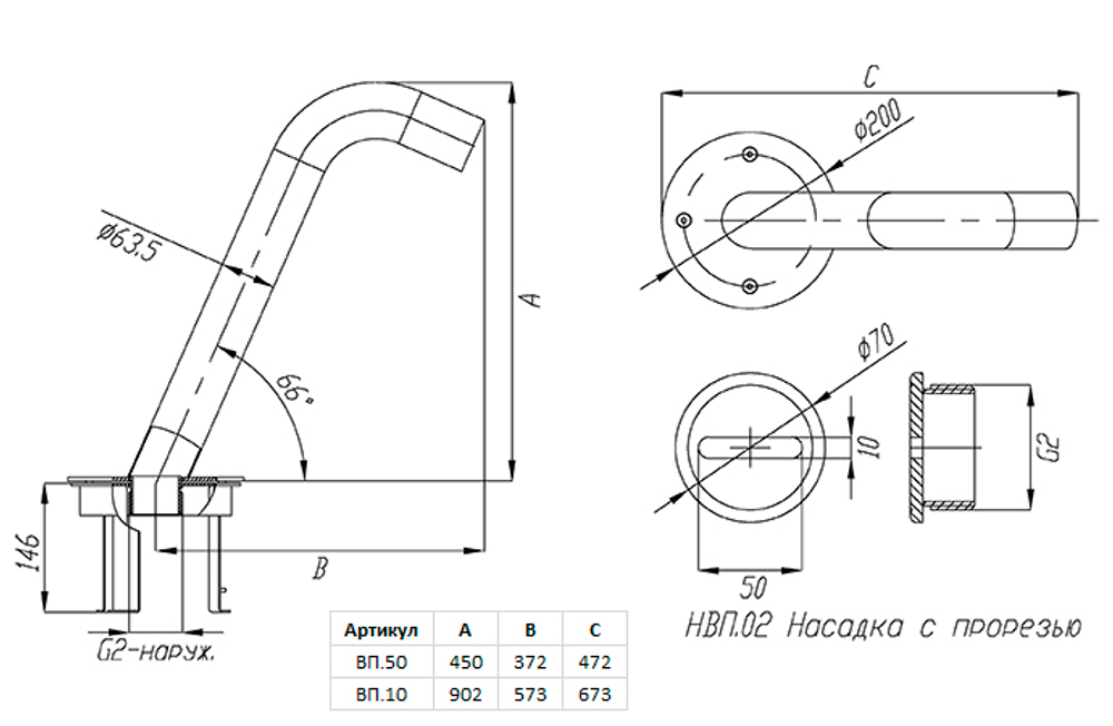
Основные технические данные
- Рекомендуемый расход воды: 20 м3/час
- Материал: нержавеющая сталь AISI 316
- Присоединение: 2'', наружная резьба
- Габариты корпуса (ВхГ): 450х472 мм
- Глубина заделки встраиваемой детали: 146 мм
- Угол наклона излива: 66°
- Место установки: борт бассейна, обычно сзади или над решеткой перелива
Эти и другие характеристики водяной пушки приведены в техническом паспорте, с которым можно ознакомиться по ссылке под фото товара.
Комплектация
В состав комплекта изделия входят: монтажная закладная, излив, уплотнительное кольцо, крепежные винты и насадка на излив. Кроме того, для установки, подключения и функционирования водяной пушки необходимы: циркуляционный насос, система водозабора, блок управления аттракционом и трубная обвязка.
Для комплектации водяных пушек собственного производства компания Ксенозон выпускает три основных вида насадок – с прорезью, в виде конуса или с системой отверстий. В состав базового комплекта входит насадка с прорезью (артикул НВП.02/1), но по желанию заказчика она может быть заменена на более подходящий вам аксессуар с отверстиями или в форме конуса. Если нужно, вы можете докупить у нас все необходимые виды насадок.
 
      